Rozšířené hledání} Informace o členství Kontaktní informace Seznam uživatelů Kalendář Spřátelené weby Honda-club.cz Přihlásit se k emailu
[2]
Linka Uživatelské skupiny Linka Galerie avatarů Linka Kdo je online Linka
Linka Jak se stát členem klubu Linka Stáhnout stanovy sdružení Linka Výhody pro členy klubu Linka
  Obsah fóra Honda-club.cz   
Trippling aneb funkce komfortního blikání
Fórum: Elektroinstalace
0
Pomohlo ti toto téma?   
Zobrazit příspěvky z předchozích:
 Řadit příspěvky dle: 
Zaslat odpověď



  Strana 1 z 1
micky1989 je teď offline  micky1989
1 háčko
Členství: Žádné
0
PříspěvekZaslal: 17.6.2013 , 14:06   Citovat  

Lidičky, udělal sem další věc do Cíva. Jedná se o funkci komfortního blikání známou z koncernových vozů.
Jedná se o zařízení které se připojuje k seriovým blinkrům a zajiěťuje funkci trojbliku.
Tj. Při klepnutí do páčky blinkrů ať do leva nebo do prava, příslušná strana 3 zabliká.
Při podržení páčky blinkrů, blinkry blikají po dobu držení páčky.
Funkce blinkrů při aretaci se nijak nemění. Spíš se jedná hlavně o to trojbliknutí, když předjíždíte zejména ve vyšších rychlostech, stačí klepnout do páčky.
Pokud by byl zájem, je toto zařízení na prodej, cenu ještě stanovím na základě zájmu.
Video dnes natočím a pověsím ho sem Úsměv je to dobrý
   Pomohl ti příspěvěk? Návrat  
    
Zobrazit informace o autorovi  Odeslat soukromou zprávu
Příspěvky: 362 H+ body: 3  
crxmann je teď offline  crxmann
5 háček
Členství: Žádné
0
PříspěvekZaslal: 17.6.2013 , 14:15   Citovat  

to je stará věc. Dá se to koupit kolem 400 korun jako stavebnice. Onehdá sem tu jeden prodával.
   Pomohl ti příspěvěk? Návrat  
    
Zobrazit informace o autorovi Osobní garáž Odeslat soukromou zprávu
Příspěvky: 8972 H+ body: 9 1996 Civic  
Simarik je teď offline  Simarik
2 háčka
0
PříspěvekZaslal: 17.6.2013 , 14:41   Citovat  

zajímá mě cenovka Úsměv stavebnice se koupit dá, ale lákavější je vždy krabička s drátama je to dobrý
   Pomohl ti příspěvěk? Návrat  
    
Zobrazit informace o autorovi Osobní garáž Odeslat soukromou zprávu
Příspěvky: 580 H+ body: -2 2001 Civic Sport  
zdenek.trcka je teď offline  zdenek.trcka
1 háčko
Členství: Žádné
0
PříspěvekZaslal: 17.6.2013 , 19:01   Citovat  

mě by taky zajímala cenovka Mrk
   Pomohl ti příspěvěk? Návrat  
    
Zobrazit informace o autorovi  Odeslat soukromou zprávu
Příspěvky: 112 H+ body: 1  
dakov je teď offline  dakov
1 háčko
0
PříspěvekZaslal: 17.6.2013 , 19:08   Citovat  

jj , stará věc , taky mam doma asi 3ks, ale pri opouštění kruháče super věc.
   Pomohl ti příspěvěk? Návrat  
    
Zobrazit informace o autorovi  Odeslat soukromou zprávu
Příspěvky: 202 H+ body: 1  
PHonzejk je teď offline  PHonzejk
Členství: Žádné
0
PříspěvekZaslal: 17.6.2013 , 20:10   Citovat  

např. zde
   Pomohl ti příspěvěk? Návrat  
    
Zobrazit informace o autorovi Osobní garáž Odeslat soukromou zprávu
Příspěvky: 28 H+ body: 0 2009 Jazz  
micky1989 je teď offline  micky1989
1 háčko
Členství: Žádné
0
PříspěvekZaslal: 18.6.2013 , 6:00   Citovat  

Neříkal sem že je to novinka Velmi šťastný. Psal sem že je to známé z koncernových vozů, a ano, prodává se jak jako stavebnice, tak jako hotový modul. Každopádně po koupi jednoho modulu, pouze abych zjistil jak to mají udělané, jsem navrhl svou konstrukci.

Jinak cena za konstrukci včetně návodu na připojení je 310Kč
   Pomohl ti příspěvěk? Návrat  
    
Zobrazit informace o autorovi  Odeslat soukromou zprávu
Příspěvky: 362 H+ body: 3  
sablos je teď offline  sablos
5 háček
Členství: Žádné
0
PříspěvekZaslal: 18.6.2013 , 6:40   Citovat  

micky1989 napsal:
Neříkal sem že je to novinka Velmi šťastný. Psal sem že je to známé z koncernových vozů, a ano, prodává se jak jako stavebnice, tak jako hotový modul. Každopádně po koupi jednoho modulu, pouze abych zjistil jak to mají udělané, jsem navrhl svou konstrukci.

Jinak cena za konstrukci včetně návodu na připojení je 310Kč
Já to třeba mám v nekoncernovém Fordu Transit 2007r.v. Se stydím
   Pomohl ti příspěvěk? Návrat  
    
Zobrazit informace o autorovi Osobní garáž Odeslat soukromou zprávu
Příspěvky: 10086 H+ body: 15 2002 CR-V  
micky1989 je teď offline  micky1989
1 háčko
Členství: Žádné
0
PříspěvekZaslal: 18.6.2013 , 7:23   Citovat  

No vidíš Velmi šťastný...Já třeba fordy nikdy neřešil, věnuju se většinou Koncernům a Honda
   Pomohl ti příspěvěk? Návrat  
    
Zobrazit informace o autorovi  Odeslat soukromou zprávu
Příspěvky: 362 H+ body: 3  
Speedey je teď offline  Speedey
2 háčka
0
PříspěvekZaslal: 18.6.2013 , 9:02   Citovat  

sablos napsal:
Já to třeba mám v nekoncernovém Fordu Transit 2007r.v. Se stydím


taky tak služební Transit 2012 a světe div se taky to má Velmi šťastný a dokonce i klimu všechno v elektrice vyhřívané čelní sklo multi. volant a ESP Velmi šťastný jinak je to hrozná plečka Tak to valím bulvy
Ale samozřejmě to není vůbec špatná věc napáchat to do staršího Cíva, vidim v tom spíš výhodu, omlazení auta a jak se
píše pohodlné při výjezdu z kruháku nebo při předjíždění kdy není čas věnovat se páčce blinkru.
Ptal jsem se na to u nás v autoelektro a tam mě bylo řečeno 1000,-Kč včetně montáže.
Takže se ptám, montáž je jednoduchá nebo to musí jít do eletkro servisu? protože cena je přijatelná.
   Pomohl ti příspěvěk? Návrat  
    
Zobrazit informace o autorovi Osobní garáž Odeslat soukromou zprávu
Příspěvky: 936 H+ body: 3 2001 Stream  
micky1989 je teď offline  micky1989
1 háčko
Členství: Žádné
0
PříspěvekZaslal: 18.6.2013 , 9:17   Citovat  

Montáž je naprosto primitivní. Zapojí se +12V, kostra a tři dráty k blinkrům. Jeden drát je před páčkou (od přeušovače) a další dva jsou blinkry jako takové Úsměv. Dal bych to i s návodem do C5G. Montáž cca 20 minut Úsměv
   Pomohl ti příspěvěk? Návrat  
    
Zobrazit informace o autorovi  Odeslat soukromou zprávu
Příspěvky: 362 H+ body: 3  
sunnx je teď offline  sunnx
1 háčko
Členství: Žádné
0
PříspěvekZaslal: 18.6.2013 , 13:42   Citovat  

tak kdyz mi nakreslis kam to do tohodle mam zapojit tak jedno beru


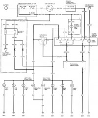
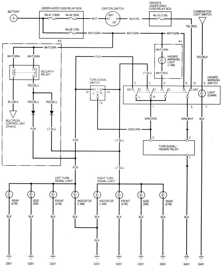
blinkry.JPG

Zobrazení obrázku v plné velikosti.
blinkry.JPG, 76.62 kB
   Pomohl ti příspěvěk? Návrat  
    
Zobrazit informace o autorovi Osobní garáž Odeslat soukromou zprávu
Příspěvky: 497 H+ body: 0 2000 Accord  
micky1989 je teď offline  micky1989
1 háčko
Členství: Žádné
0
PříspěvekZaslal: 18.6.2013 , 13:48   Citovat  

Je to na přepínač směrovek (Turn signal switch) pin 12, 13 ,14 a napájení Úsměv
   Pomohl ti příspěvěk? Návrat  
    
Zobrazit informace o autorovi  Odeslat soukromou zprávu
Příspěvky: 362 H+ body: 3  
Vokys je teď offline  Vokys
2 háčka
Členství: Žádné
0
PříspěvekZaslal: 18.6.2013 , 13:51   Citovat  

koukam ze kazdymu se ten trojblik libi. ja s nim mel v minuly praci spis opacny problem. kdyz jsem predjizdel ve meste tak se diky trojbliku neda pouzivat blinker pac mi tam skoro kazdy vjel a myslel si ze nekm odbocuju a ja jen predjizdel /kolo,moto .../
   Pomohl ti příspěvěk? Návrat  
    
Zobrazit informace o autorovi Osobní garáž Odeslat soukromou zprávu
Příspěvky: 684 H+ body: 0 1991 Civic Varování : 1 
sunnx je teď offline  sunnx
1 háčko
Členství: Žádné
0
PříspěvekZaslal: 18.6.2013 , 13:54   Citovat  

no ja to použivam ve všech sluzebních vozech a celkem mi to chybi protoze kdyz predjizdím tak do toho jen brnknu což je tak jedno bliknutí. a neni nic jednodušího než to mít na vypínač
   Pomohl ti příspěvěk? Návrat  
    
Zobrazit informace o autorovi Osobní garáž Odeslat soukromou zprávu
Příspěvky: 497 H+ body: 0 2000 Accord  
sumy je teď offline  sumy
2 háčka
0
PříspěvekZaslal: 18.6.2013 , 15:09   Citovat  

No nechci dělat chytrýho, ale úplně nejlíp to dle mě má C8.g Brnknutí o páčku = trojbblik, delší brnknutí= 1až X bliknutí, tak dlouho jak podržíte a nebo klasika až na aretaci, kde ale také okamžitě po uvedení páčky zpět přestává blikat a né že natvrdo 3x blikne i kdyby čert na koze jel svatoušek To mě, už ani nevím u jakýho auta brutálně točilo, minimální počet bliků 3 naštvanej Prostě i když má C8.g trojblik tak umí bliknout i jen 1, nebo 2 kouř
   Pomohl ti příspěvěk? Návrat  
    
Zobrazit informace o autorovi Osobní garáž Odeslat soukromou zprávu
Příspěvky: 529 H+ body: 1 2007 Civic  
dakov je teď offline  dakov
1 háčko
0
PříspěvekZaslal: 18.6.2013 , 16:00   Citovat  

myslim že trojblik proběhne kdyz je signal kračí jak 200ms , tudíz kdyz packu drzite del jak 200ms tripling se neaktivuje.
   Pomohl ti příspěvěk? Návrat  
    
Zobrazit informace o autorovi  Odeslat soukromou zprávu
Příspěvky: 202 H+ body: 1  
micky1989 je teď offline  micky1989
1 háčko
Členství: Žádné
0
PříspěvekZaslal: 19.6.2013 , 5:40   Citovat  

sumy: Funguje to přesně tak jak píšeš. Brnknutí o páčku = 3x blikne, Podržení páčky = 1 - x bliknutí, a funkce blinkru v aretaci funguje stejně jako bez trojbliku.
   Pomohl ti příspěvěk? Návrat  
    
Zobrazit informace o autorovi  Odeslat soukromou zprávu
Příspěvky: 362 H+ body: 3  
sumy je teď offline  sumy
2 háčka
0
PříspěvekZaslal: 19.6.2013 , 8:25   Citovat  

micky1989 napsal:
sumy: Funguje to přesně tak jak píšeš. Brnknutí o páčku = 3x blikne, Podržení páčky = 1 - x bliknutí, a funkce blinkru v aretaci funguje stejně jako bez trojbliku.

je to dobrý
   Pomohl ti příspěvěk? Návrat  
    
Zobrazit informace o autorovi Osobní garáž Odeslat soukromou zprávu
Příspěvky: 529 H+ body: 1 2007 Civic  
Dejw83 je teď offline  Dejw83
Členství: Žádné
0
PříspěvekZaslal: 19.6.2013 , 9:23   Citovat  

No, já bych měl taky zájem. Pokud bude fungovat na Civicu 7G, což asi jo, tak bych bral je to dobrý
   Pomohl ti příspěvěk? Návrat  
    
Zobrazit informace o autorovi Osobní garáž Odeslat soukromou zprávu
Příspěvky: 68 H+ body: 0 2003 Civic Coupe  
sumy je teď offline  sumy
2 háčka
0
PříspěvekZaslal: 19.6.2013 , 9:29   Citovat  

Já teda taky, u cívi jsem si na to zvykl a když ho střídám s mitsubiším MPV, tak poměrně často bliknu jen jako prase 1x Se stydím
   Pomohl ti příspěvěk? Návrat  
    
Zobrazit informace o autorovi Osobní garáž Odeslat soukromou zprávu
Příspěvky: 529 H+ body: 1 2007 Civic  
micky1989 je teď offline  micky1989
1 háčko
Členství: Žádné
0
PříspěvekZaslal: 19.6.2013 , 9:33   Citovat  

Píšu si vás oba je to dobrý

sumy: Já to viděl tenkrát u passata, když sem se začínal vrtat v autech a líbilo se mi to. Po pár letech sem pořídil cíva, rychlý sportovní auto Úsměv.. A pak když sem jezdil pilu, tak nebyl čas na nějáký blinkr a vzpomněl sem si na tuhle funkci u koncernu. Tak sem hledal a bádal, ovšem hotový výrobek, nebo stavebnice nejsou pro mě. Když se mi něco líbí, tak si to chci udělat, nebo vymyslet sám Velmi šťastný
   Pomohl ti příspěvěk? Návrat  
    
Zobrazit informace o autorovi  Odeslat soukromou zprávu
Příspěvky: 362 H+ body: 3  
vti [906team] je teď offline  vti [906team]
4 háčka
0
PříspěvekZaslal: 19.6.2013 , 11:37   Citovat  

to sa oplati vzdy vymyslat odznova koleso...
   Pomohl ti příspěvěk? Návrat  
    
Zobrazit informace o autorovi Osobní garáž Odeslat soukromou zprávu
Příspěvky: 2098 H+ body: 10 1991 Civic  
sumy je teď offline  sumy
2 háčka
0
PříspěvekZaslal: 19.6.2013 , 11:42   Citovat  

vti [906team] napsal:
to sa oplati vzdy vymyslat odznova koleso...

Já mu rozumím, sám spoustu věcí nedělám pouze s ohledem, zda se to vyplatí, ale také jestli z toho mám radost. A když je to jeho koníček..., navíc i to kolo může být řešeno mnoha způsoby, stejně tak trojblik přátele
   Pomohl ti příspěvěk? Návrat  
    
Zobrazit informace o autorovi Osobní garáž Odeslat soukromou zprávu
Příspěvky: 529 H+ body: 1 2007 Civic  
monty je teď offline  monty
Moderátor
Členství: Žádné
0
PříspěvekZaslal: 19.6.2013 , 11:52   Citovat  

vti [906team] napsal:
to sa oplati vzdy vymyslat odznova koleso...

na druhou stranu ne vždy komerční "koleso" má takovou funkčnost a ty funkce co si představuješ.i když v tomhle případě to asi neplatí ...pro mě zbytečnost, když chci třikrát bliknout prostě podržím dýl páčku ,nemívám tak málo času abych ten prst nutně potřeboval jinde. Úsměv
   Pomohl ti příspěvěk? Návrat  
    
Zobrazit informace o autorovi Osobní garáž Odeslat soukromou zprávu
Příspěvky: 5207 H+ body: 45 1988 Prelude  
sumy je teď offline  sumy
2 háčka
0
PříspěvekZaslal: 19.6.2013 , 12:09   Citovat  

monty napsal:
...pro mě zbytečnost, když chci třikrát bliknout prostě podržím dýl páčku ,nemívám tak málo času abych ten prst nutně potřeboval jinde. Úsměv

Taky na to tak lze nahlížet, já jsem se už naučil s tím počítat v ufu a v druhém autě prostě občas blikám míň než je zdrávo... tedy u mně je to kombinace lenosti a blbosti pořádnej výtlem
   Pomohl ti příspěvěk? Návrat  
    
Zobrazit informace o autorovi Osobní garáž Odeslat soukromou zprávu
Příspěvky: 529 H+ body: 1 2007 Civic  
gembler je teď offline  gembler
0
PříspěvekZaslal: 21.8.2013 , 8:56   Citovat  

Je pravda, že si na to člověk lehce zvykne. Po roce ježdění v C9G jsem vůbec hrozně zpohodlněl. Trojblik používám v Praze pořád, jediná nevýhoda je, když si do toho člověk ťukne, když jede pilu na sněhu a kontruje HaHaaa musel jsem asi vypadat jako magor, když jsem jel po radlický osm pětek bokem a blikal jak vánoční stromeček Velmi šťastný Další věc je couvací kamera, nedávno jsem parkoval s C6G a nachytal jsem se, jak koukam do mřížky od větrání a hledám displej kamery. Jednou jsem v C6G dokonce hledal 6. kvalt Se stydím Tím chci říct, že bych to taky bral do C6G, i když mi nevadí držet páčku o trochu déle, zvykl jsem si na to, používám to denně a užitečným inovacím se, alespoň podle mě, nemá cenu bránit.
   Pomohl ti příspěvěk? Návrat  
    
Zobrazit informace o autorovi Osobní garáž Odeslat soukromou zprávu
Příspěvky: 95 H+ body: -3 1997 Civic VTEC-E  
rooney je teď offline  rooney
Tajný agent
0
PříspěvekZaslal: 9.12.2014 , 17:28   Citovat  

Zdravím, prosím má už někdo zkušenost s montáží klasického triplingu do Accord 7.g 2003 ?

Děkuji
   Pomohl ti příspěvěk? Návrat  
    
Zobrazit informace o autorovi Osobní garáž Odeslat soukromou zprávu
Příspěvky: 2119 H+ body: 0 1994 CR-X DelSol  

  Obsah fóra Honda-club.cz   
Trippling aneb funkce komfortního blikání
Fórum: Elektroinstalace
0
Pomohlo ti toto téma?   
Zobrazit příspěvky z předchozích:
 Řadit příspěvky dle: 
Zaslat odpověď



 Časy uváděny v GMT + 1 hodina  
    
Nemůžete odesílat nové téma do tohoto fóra.
Nemůžete odpovídat na témata v tomto fóru.
Nemůžete upravovat své příspěvky v tomto fóru.
Nemůžete mazat své příspěvky v tomto fóru.
Nemůžete hlasovat v tomto fóru.
Můžete k příspěvkům připojovat soubory
Můžete stahovat a prohlížet přiložené soubory
Nemůžete moderovat Vaše témata v tomto fóru.



Board Security

(104575 útoků)
::  www.honda-club.cz  :: Témata RSS TOPlist

[ Čas: 0.2121s ][ Dotazy: 139 (0.0227s) ][ GZIP on - Debug on ]