Rozšířené hledání} Informace o členství Kontaktní informace Seznam uživatelů Kalendář Spřátelené weby Honda-club.cz Přihlásit se k emailu
[2]
Linka Uživatelské skupiny Linka Galerie avatarů Linka Kdo je online Linka
Linka Jak se stát členem klubu Linka Stáhnout stanovy sdružení Linka Výhody pro členy klubu Linka
  Obsah fóra Honda-club.cz   
Výbava ES a BOSE aparatura..
Fórum: Interiér a Hi-Fi
1
Pomohlo ti toto téma?   
Zobrazit příspěvky z předchozích:
 Řadit příspěvky dle: 
Jdi na stránku Předchozí  1, 2, 3, 4  Další 
Zaslat odpověď



  Strana 2 z 4
angel.CZ je teď offline  angel.CZ
1 háčko
0
PříspěvekZaslal: 28.8.2012 , 15:30   Citovat  

Tak teďka jsem se vrátil od autoelektrikáře na zapojení BOSE subáče a musím říct, zbytečně vyhozených 1000kč ... Bueee
Mám sony x-plod 54W s MOS výstupem na subwofer. A řeknu vám jak mám rádio na 20 volume (což jde ze dveří solidní rachot tak subwofer vybruje, v kabině slyšet nejde, ale jak se spojí se zadními bas repráky ve dveřích (nastavení v rádiu) tak.. ani nevím že tam je.... jede, ale velká slabota a navíc největší mínut, při zapnutí rádia (USB,CD,AUX) se vysouvá anténa, tak teďka při 160km/h + budu muset vypínat radio... velmi zklamalo KO
   Pomohl ti příspěvěk? Návrat  
    
Zobrazit informace o autorovi Osobní garáž Odeslat soukromou zprávu
Příspěvky: 417 H+ body: 1 2001 Accord  
Kendik je teď offline  Kendik
4 háčka
Členství: Žádné
0
PříspěvekZaslal: 28.8.2012 , 17:01   Citovat  

angel.CZ napsal:
Tak teďka jsem se vrátil od autoelektrikáře na zapojení BOSE subáče a musím říct, zbytečně vyhozených 1000kč ... Bueee
Mám sony x-plod 54W s MOS výstupem na subwofer. A řeknu vám jak mám rádio na 20 volume (což jde ze dveří solidní rachot tak subwofer vybruje, v kabině slyšet nejde, ale jak se spojí se zadními bas repráky ve dveřích (nastavení v rádiu) tak.. ani nevím že tam je.... jede, ale velká slabota a navíc největší mínut, při zapnutí rádia (USB,CD,AUX) se vysouvá anténa, tak teďka při 160km/h + budu muset vypínat radio... velmi zklamalo KO
Tak to me mrzi Smutný
ja jsem si to zapojoval sam a jsem spokojen.Woofer basuje (neni to sice zadnej zazrak, ale basuje) a hrajou vsechny repro. Jedine co mi trosku vadi je to lupani pri zapnuti a vypnuti radia. Úsměv
Nekde musi byt u Tebe chyba. Smutný
   Pomohl ti příspěvěk? Návrat  
    
Zobrazit informace o autorovi Osobní garáž Odeslat soukromou zprávu
Příspěvky: 3067 H+ body: 2 2004 Accord  
angel.CZ je teď offline  angel.CZ
1 háčko
0
PříspěvekZaslal: 28.8.2012 , 20:46   Citovat  

[quote="Kendik"]Tak to me mrzi Smutný
ja jsem si to zapojoval sam a jsem spokojen.Woofer basuje (neni to sice zadnej zazrak, ale basuje) a hrajou vsechny repro. Jedine co mi trosku vadi je to lupani pri zapnuti a vypnuti radia. Úsměv
Nekde musi byt u Tebe chyba. Smutný[/quote]

no nevím nechal jsem to dělat u elektrikáře, já se vtom vyznám jako afričan v ledním hokeji...nejsvíce mě mrzí ta anténa :- budu muset na něco přijít a ,,zase´´ zbytečně vyhazovat prachy Smutný

když tak tu zítra hodím foto jak to hraje Úsměv třeba to hraje stejně jako tvoje a každý chce něco jinýho Velmi šťastný
   Pomohl ti příspěvěk? Návrat  
    
Zobrazit informace o autorovi Osobní garáž Odeslat soukromou zprávu
Příspěvky: 417 H+ body: 1 2001 Accord  
Kendik je teď offline  Kendik
4 háčka
Členství: Žádné
0
PříspěvekZaslal: 28.8.2012 , 20:55   Citovat  

angel.CZ napsal:
no nevím nechal jsem to dělat u elektrikáře, já se vtom vyznám jako afričan v ledním hokeji...nejsvíce mě mrzí ta anténa :- budu muset na něco přijít a ,,zase´´ zbytečně vyhazovat prachy Smutný

když tak tu zítra hodím foto jak to hraje Úsměv třeba to hraje stejně jako tvoje a každý chce něco jinýho Velmi šťastný
To je taky mozny Úsměv S tou antenou nesmis jezdit vic jak 160 kdyz je vysunuta? Tak to koukám!
   Pomohl ti příspěvěk? Návrat  
    
Zobrazit informace o autorovi Osobní garáž Odeslat soukromou zprávu
Příspěvky: 3067 H+ body: 2 2004 Accord  
needs je teď offline  needs
1 háčko
Členství: Žádné
0
PříspěvekZaslal: 28.8.2012 , 22:02   Citovat  

ja na Bose nedám dopustit,uvnitř hraje paradně,čistej sladěnej zvuk.A antenu mam trvale odpojenou takže nafurt vysunuta 2OO km/h s ni nic neuděla,jen pozor v zimě Úsměv
   Pomohl ti příspěvěk? Návrat  
    
Zobrazit informace o autorovi Osobní garáž Odeslat soukromou zprávu
Příspěvky: 403 H+ body: 0 2009 Accord  
Bartošák je teď offline  Bartošák
Členství: Žádné
0
PříspěvekZaslal: 17.9.2012 , 16:32   Citovat  

Chci se jen ujistit, jak je to schéma myšlený. Mám to napájet na sinche nebo to je nyšlený že to do toho druhýho konektoru přepojím z iso konektoru? Rád bych to vyděl nějak líp rozkreslený, nerad bych si udělal nějakou prekérku.
   Pomohl ti příspěvěk? Návrat  
    
Zobrazit informace o autorovi Osobní garáž Odeslat soukromou zprávu
Příspěvky: 7 H+ body: 0 2002 Accord  
LEp1 je teď offline  LEp1
0
PříspěvekZaslal: 23.9.2012 , 21:59   Citovat  

nazdar, tiez riesim pripadnu vymenu origo autoradia no nechcem prist o Bose aparaturu, tak mi napadlo co xcralink ? JE to kompatibilne? xcarlink na tejto stranke je medzi fotkami kompatibilnych radii aj origo bose ale nikde som nevidel zmienku o to mze by to nieko daval do acco 6g a nechcem kupit hovadinu. Diky
   Pomohl ti příspěvěk? Návrat  
    
Zobrazit informace o autorovi Osobní garáž Odeslat soukromou zprávu
Příspěvky: 37 H+ body: 0 1999 Accord  
handsome je teď offline  handsome
1 háčko
0
PříspěvekZaslal: 24.9.2012 , 9:34   Citovat  

xcarlink na a6g bohužiaľ nefunguje, takže ak chceš usb, sd, či jednoducho mp3 tak jedine formou výmeny rádia za iné.
   Pomohl ti příspěvěk? Návrat  
    
Zobrazit informace o autorovi Osobní garáž Odeslat soukromou zprávu
Příspěvky: 203 H+ body: 0 1999 Accord  
LEp1 je teď offline  LEp1
0
PříspěvekZaslal: 24.9.2012 , 16:42   Citovat  

Noo to som si myslel, len ma to na tej stranke zmiatlo kedze uvadzali podporu aj bose radia. diky za info.
   Pomohl ti příspěvěk? Návrat  
    
Zobrazit informace o autorovi Osobní garáž Odeslat soukromou zprávu
Příspěvky: 37 H+ body: 0 1999 Accord  
sunnx je teď offline  sunnx
1 háčko
Členství: Žádné
0
PříspěvekZaslal: 26.10.2012 , 10:53   Citovat  

Tak du se přidat další deb.. dotaz. Přečetl sem už 3 topiky a nido tu přesně nepopisuje jak to zapojit.
Chápu tedy správně ze na konektoru do ekvalizeru hned u radia vezmu ty B1 5 a 7 udelám z nich cinche a napojim kam? na prední výstup zadní nebo sub? chci aby hraly jak ty vejsaky tak woofer. To tu nikdo nenapsal. dále jak tedy ten ekvalizer napajite z ceho privedete napájení na to B12 ten + ? a co s tim praskáním.
Prostě poř¨třebuji aby hraly ty vejsky i subwoofer. Jestli má nekdo podrobný rozkreslení celí tý aparatury tak bych byl rád kdyby poskytl. Doufám že nekdo komu to hraje všechno mi jasně odpoví. díky
   Pomohl ti příspěvěk? Návrat  
    
Zobrazit informace o autorovi Osobní garáž Odeslat soukromou zprávu
Příspěvky: 497 H+ body: 0 2000 Accord  
Chumo je teď offline  Chumo
1 háčko
0
PříspěvekZaslal: 26.10.2012 , 12:07   Citovat  

Drviva vacsina radii ma 4 vystupy na 4 repro a 1 az 3 vystupy na woofer v podobe cinchov...

Klasicke vystupy na reproduktory zapojis na predne a zadne reproduktory vo dverach...

z vystupov B1-7-5 spravis cinche a zapojis na subwoofer cinche na radiu...

Potom uz len stavu na zadny zosik a slape to... Na niektorych radiach to lupe na niektorych nie... Na vsetkych radiach ide woofer potichu a velky prinos nema...

Ale mne je jedno zapajajte... Moj nazor je taky, ze to bose zase az take super neuveritelne skvele nie je... Staci vymenit repraky za nejake lepsie, trochu potlmit a hra to o triedu lepsie ako Bose, o ktore tu kazdy bojuje...

Ja davam BOSE a zadnemu papierovemu basaku palec dole....
   Pomohl ti příspěvěk? Návrat  
    
Zobrazit informace o autorovi  Odeslat soukromou zprávu
Příspěvky: 267 H+ body: 2  
sunnx je teď offline  sunnx
1 háčko
Členství: Žádné
0
PříspěvekZaslal: 26.10.2012 , 13:11   Citovat  

Ok takže zapojim na výstup predzesíku na výstup sub na rádiu, potom jak teda budou hrat ty víškové? to mi neni jasný!
   Pomohl ti příspěvěk? Návrat  
    
Zobrazit informace o autorovi Osobní garáž Odeslat soukromou zprávu
Příspěvky: 497 H+ body: 0 2000 Accord  
Chumo je teď offline  Chumo
1 háčko
0
PříspěvekZaslal: 27.10.2012 , 21:01   Citovat  

Ja tam teda vyskace nemam... Ty ich mas kde?

Vysky sa zapajaju paralelne ale nejako sa mi tie vyskace nezdaju, kde su a v akej vybave ich tam davali?
   Pomohl ti příspěvěk? Návrat  
    
Zobrazit informace o autorovi  Odeslat soukromou zprávu
Příspěvky: 267 H+ body: 2  
sunnx je teď offline  sunnx
1 háčko
Členství: Žádné
0
PříspěvekZaslal: 28.10.2012 , 22:18   Citovat  

No mám poface liftback a výbavu ES a v krajich kde drzi zadni plato mam výšáky. proto se mi nezda ze bych to mel zapojit na sub pak by asi tezko hrali výšky.
   Pomohl ti příspěvěk? Návrat  
    
Zobrazit informace o autorovi Osobní garáž Odeslat soukromou zprávu
Příspěvky: 497 H+ body: 0 2000 Accord  
Chumo je teď offline  Chumo
1 háčko
0
PříspěvekZaslal: 29.10.2012 , 12:04   Citovat  

Nuz ja ich tam nemam... Ale zapojit by si ich mohol na zadne repro vo dverach, akurat tam treba dat nejaky kondik, nech ti to oreze basy... Ale predpokladam, ze z equalizera idu uz ciste orezane vysky, musis postudovat schemu a najst ktore su to... A podla mna to potom equalizer oreze zo signalu, ktory do neho ide z radia...
Takze, treba preskumat poriadne schemu...
   Pomohl ti příspěvěk? Návrat  
    
Zobrazit informace o autorovi  Odeslat soukromou zprávu
Příspěvky: 267 H+ body: 2  
sunnx je teď offline  sunnx
1 háčko
Členství: Žádné
0
PříspěvekZaslal: 29.10.2012 , 12:07   Citovat  

Supr to bych rád ale kde seženu to schéma? v tom Honda ESM?
   Pomohl ti příspěvěk? Návrat  
    
Zobrazit informace o autorovi Osobní garáž Odeslat soukromou zprávu
Příspěvky: 497 H+ body: 0 2000 Accord  
sunnx je teď offline  sunnx
1 háčko
Členství: Žádné
0
PříspěvekZaslal: 31.10.2012 , 9:17   Citovat  

Tak sem to vcera letmo zkousel a zvuk se neozval Smutný tak zkusim jeste zapojení přímo do zesíku pak uz sem asi nahranej
   Pomohl ti příspěvěk? Návrat  
    
Zobrazit informace o autorovi Osobní garáž Odeslat soukromou zprávu
Příspěvky: 497 H+ body: 0 2000 Accord  
sunnx je teď offline  sunnx
1 háčko
Členství: Žádné
0
PříspěvekZaslal: 1.11.2012 , 15:41   Citovat  

Tak sem včera měl úspěch se zapojením přímo do zesíku a vynecháním ekvalizeru. Zajímavé je že oba víškové a subwofer hrajou jen na jeden přívodní kanál a je jedno na jaký, když zapojím oba kanály zvuk se rozpadá a ztichne, takže doporucuji zapojit jen jeden kanál a hraje vše! Oproti repru z rádia to sice hraje míň ale jako dokres v pohodě.
   Pomohl ti příspěvěk? Návrat  
    
Zobrazit informace o autorovi Osobní garáž Odeslat soukromou zprávu
Příspěvky: 497 H+ body: 0 2000 Accord  
martyCZ je teď offline  martyCZ
0
PříspěvekZaslal: 2.11.2012 , 15:39   Citovat  

Bráchovi jsem na originálním Bose zprovoznil vstup místo měniče na klasický jack. Ale je to trocha elektroniky, know-how klidně předám, ale dělat se mi s tím už nechce. V principu se musí odsimulovat přítomnost CD changeru, jinak se rádio nepřepne.

Řešením je digitální měnič (něco jako xcarlink), který pak lze kompletně ovládat z rádia. Běžně se pro Hondu prodávají dvě verze - s bílým a s modrým konektorem. Pro tento rok by měl fungovat ten modrý tudy odkaz
   Pomohl ti příspěvěk? Návrat  
    
Zobrazit informace o autorovi  Odeslat soukromou zprávu
Příspěvky: 83 H+ body: 0  
Bubaak je teď offline  Bubaak
4 háčka
Členství: Žádné
0
PříspěvekZaslal: 24.11.2012 , 19:10   Citovat  

Rozebraný Bose MF721r0 na CD tudy odkaz
   Pomohl ti příspěvěk? Návrat  
    
Zobrazit informace o autorovi  Odeslat soukromou zprávu
Příspěvky: 2176 H+ body: 1  
sunnx je teď offline  sunnx
1 háčko
Členství: Žádné
0
PříspěvekZaslal: 4.1.2013 , 15:18   Citovat  

Tak edit nakonec sem pripojil oba kanaly a funguje vse sub i vejsky, hraje to méne, protoze predzesilovac z neoriga radia na ty cinche neda tak silný výstup ale hraje to. Kdyby chtel nekdo pomoct ozvete se. Sem fakt stastnej ze mam usb a mp3 cd
   Pomohl ti příspěvěk? Návrat  
    
Zobrazit informace o autorovi Osobní garáž Odeslat soukromou zprávu
Příspěvky: 497 H+ body: 0 2000 Accord  
Kendik je teď offline  Kendik
4 háčka
Členství: Žádné
0
PříspěvekZaslal: 4.1.2013 , 16:37   Citovat  

Gratuluji Úsměv Tak at Ti to duni Velmi šťastný
   Pomohl ti příspěvěk? Návrat  
    
Zobrazit informace o autorovi Osobní garáž Odeslat soukromou zprávu
Příspěvky: 3067 H+ body: 2 2004 Accord  
marek193 je teď offline  marek193
0
PříspěvekZaslal: 3.2.2013 , 14:32   Citovat  

potřeboval bych kompletní schéma na zapojení BOSE. žádný z odkaz co tady je, nejde otevřít Smutný a nemůžu to nikde najít
   Pomohl ti příspěvěk? Návrat  
    
Zobrazit informace o autorovi Osobní garáž Odeslat soukromou zprávu
Příspěvky: 42 H+ body: 0 1997 Civic  
sunnx je teď offline  sunnx
1 háčko
Členství: Žádné
0
PříspěvekZaslal: 3.2.2013 , 18:58   Citovat  

Cau je to v tom honda esm v tom celkovém navodu najdes i zapojeni bose i s navigaci se vsim sou tam nakresi na vsechno
   Pomohl ti příspěvěk? Návrat  
    
Zobrazit informace o autorovi Osobní garáž Odeslat soukromou zprávu
Příspěvky: 497 H+ body: 0 2000 Accord  
Honcord je teď offline  Honcord
1 háčko
0
PříspěvekZaslal: 5.2.2013 , 16:23   Citovat  

angel.CZ napsal:
Tak teďka jsem se vrátil od autoelektrikáře na zapojení BOSE subáče a musím říct, zbytečně vyhozených 1000kč ... Bueee
Mám sony x-plod 54W s MOS výstupem na subwofer. A řeknu vám jak mám rádio na 20 volume (což jde ze dveří solidní rachot tak subwofer vybruje, v kabině slyšet nejde, ale jak se spojí se zadními bas repráky ve dveřích (nastavení v rádiu) tak.. ani nevím že tam je.... jede, ale velká slabota a navíc největší mínut, při zapnutí rádia (USB,CD,AUX) se vysouvá anténa, tak teďka při 160km/h + budu muset vypínat radio... velmi zklamalo KO


Darec Angel,

vidím, že stále bojuješ Úsměv
Aby ti neza/vyjížděla stačí ji zapojit k rádiu na POWER AMP (tento jde z rádia mimo ISO!) = výstup na zapínání přídavného zesilovače...pak ti anténa vyjede hned po zapnutí rádia a zajede tehdy, až ho vypneš.
Pokud použiješ zapojení do ISO konektoru na REMOTE ANT, pak ti bude zajíždět, vždy když přepneš na AUX/CD/BT...bohužel, tak to Sony udělalo.

Mám taky Sony a vše mi frčí úplně fpohodě...k Bose woofru jsem si jen dostavěl elektronický ekvalizér s vlastní hlasitostí a regulací hloubek až do 40Hz, cca sto kaček.
40Hz bohužel Bose nezahraje, není to sub-w.Ekvalizér má dva poťáky - hlasitost a bass, velikost startek.Poťáky nastavený víceméně trvale a hlasitost ovládám jen z rádia.

Kdykoliv lze demonstrovat pifko
   Pomohl ti příspěvěk? Návrat  
    
Zobrazit informace o autorovi Osobní garáž Odeslat soukromou zprávu
Příspěvky: 275 H+ body: 1 2008 Accord Tourer  
sunnx je teď offline  sunnx
1 háčko
Členství: Žádné
0
PříspěvekZaslal: 5.2.2013 , 19:39   Citovat  

Zdar popsal by si schéma? Mám taky sonaka a hraje to min, což chápu a nějak me to nedrasa, ale proč to nevylepsit:-)
   Pomohl ti příspěvěk? Návrat  
    
Zobrazit informace o autorovi Osobní garáž Odeslat soukromou zprávu
Příspěvky: 497 H+ body: 0 2000 Accord  
Honcord je teď offline  Honcord
1 háčko
0
PříspěvekZaslal: 5.2.2013 , 21:40   Citovat  

sunnx napsal:
Zdar popsal by si schéma? Mám taky sonaka a hraje to min, což chápu a nějak me to nedrasa, ale proč to nevylepsit:-)


Povzpomínám, mrknu na to a nějak ti to nakreslím jak si vzpomenu.

Každopádně v mé verzi sem úplně obešel origo ekvalizér, co je pod sedadlem spolujezce.
Bez něj byla hlasitost woofu mizerná a přes něj zas takovej vyblitej zvuk a hlasitost taky nic moc.
   Pomohl ti příspěvěk? Návrat  
    
Zobrazit informace o autorovi Osobní garáž Odeslat soukromou zprávu
Příspěvky: 275 H+ body: 1 2008 Accord Tourer  
Honcord je teď offline  Honcord
1 háčko
0
PříspěvekZaslal: 6.2.2013 , 15:11   Citovat  

Tak jsem to nějak škrabopisem dopsal a dokresil na originální schéma zapojení.Je to moje varianta, byla funkční na první zapojení a zmákl jsem to za dvě dopoledne.

Zvolil jsem úplné vynechání origo ekvalizéru (pod sedadlem spolujezdce)protože:
- Zvuk přes něj byl nemastej neslanej, ten sound mě prostě nezaujal
- Nedostatečná hlasitost
- Nemá regulaci tónu basů

Proč je nutno odpojit POWER ANT ze standartního ISO konektoru?
- Sony bohužel tento výstup +12V vypíná v režimu AUX/CD/BT, čili je funkčí pouze v módu TUNER (pro napájené prutové antény se zesilovačem)
- Výstup POWER AMP na Sony rádiu má +12V extra kabel (tuším modrý) od zapnutí po vypnutí trvale ve všech módech AUX/CD/BT/TUNER a tím je zaručeno, že je zesilovač BOSE napájen stále, když je rádio ON
- Výstup POWER AMP je tam pro zapínání přídavných zesilovačů (power amplifier)
- Accord má zapnutí antény a wooferu na jednom vstupu, tzn. nevyjede-li anténa (myslí se funkční Velmi šťastný ) nejede zesilovač BOSE wooferu, pozor na to!
- Nedochází k ranám z wooferu, protože se nevypíná a opětovně nezapíná při přepínání módů

Nechá-li se zapojení POWER ANT v ISO konektoru, tak Sonáč při zapnutí módů AUX/CD/BT vypne BOSE woofer a zaleze anténa.

Asi nejjednodušší varianta je přecviknout drát POWER ANT mezi ISO konektorem a rádiem v půlce.Půlku vedoucí do rádia zaslepit.Na půlku vedoucí do ISO přiletovat drát POWER AMP z rádia.

Ať se dílo daří! je to dobrý


Schema_sony.jpg

Zobrazení obrázku v plné velikosti.
Schema_sony.jpg, 301.27 kB
   Pomohl ti příspěvěk? Návrat  
    
Zobrazit informace o autorovi Osobní garáž Odeslat soukromou zprávu
Příspěvky: 275 H+ body: 1 2008 Accord Tourer  
sunnx je teď offline  sunnx
1 háčko
Členství: Žádné
0
PříspěvekZaslal: 6.2.2013 , 20:59   Citovat  

Dík za nákres ale zapojení uz sem zvladl taky mam vynechaný ekvalizer, a anténu mám na strese takze vysouvání neresim, spis sem chtel schema toho tvého ekvalizeru
   Pomohl ti příspěvěk? Návrat  
    
Zobrazit informace o autorovi Osobní garáž Odeslat soukromou zprávu
Příspěvky: 497 H+ body: 0 2000 Accord  
Honcord je teď offline  Honcord
1 háčko
0
PříspěvekZaslal: 7.2.2013 , 22:04   Citovat  

sunnx napsal:
Dík za nákres ale zapojení uz sem zvladl taky mam vynechaný ekvalizer, a anténu mám na strese takze vysouvání neresim, spis sem chtel schema toho tvého ekvalizeru


Darec!
Jestli máš střešní tak se zdá, že máš o problémek míň.
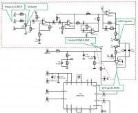
Tady je schéma...není to nic novýho a ani nemá cenu něco novýho vymýšlet, dyž toto funguje excelentně.Je to starý schéma na auto-zesilovač k doma dělanýmu wooferu do kufru auta, jehož základem je IO TDA1562Q.
Tento zesík nás nezajímá, za jedno je drahej a za druhé basofil řekne, že 70W je mááálo....není to pravda, fičí sqěle!

Nás zajímá pouze ta část v červeným rámečku ve schématu.Základem jsou dva operační zesilovače za pár halířů : TL071 a TL072.Pak dva poťáčky a pár běžných odpůrků a kondíků.Ovšem na těch pár kaček je to spolehlivý
a má to supr regulaci basů, která ti ukáže, co ten woofer je schopen vůbec zahrát.V případě BOSE wooferu nic "top", ale vzhledem ke stáří asi někde kolem '98...na tu dobu to bylo excelentní.Další + je supr
štelovatelná hlasitost OK

Velmi šťastný Velmi šťastný Velmi šťastný




Někde pohledám a oskenuju nákres plošňáku a seznam součástek.


BASS_korektor_schema.jpg

Zobrazení obrázku v plné velikosti.
BASS_korektor_schema.jpg, 237.34 kB
   Pomohl ti příspěvěk? Návrat  
    
Zobrazit informace o autorovi Osobní garáž Odeslat soukromou zprávu
Příspěvky: 275 H+ body: 1 2008 Accord Tourer  

  Obsah fóra Honda-club.cz   
Výbava ES a BOSE aparatura..
Fórum: Interiér a Hi-Fi
1
Pomohlo ti toto téma?   
Zobrazit příspěvky z předchozích:
 Řadit příspěvky dle: 
Jdi na stránku Předchozí  1, 2, 3, 4  Další 
Zaslat odpověď



 Časy uváděny v GMT + 1 hodina  
    
Nemůžete odesílat nové téma do tohoto fóra.
Nemůžete odpovídat na témata v tomto fóru.
Nemůžete upravovat své příspěvky v tomto fóru.
Nemůžete mazat své příspěvky v tomto fóru.
Nemůžete hlasovat v tomto fóru.
Můžete k příspěvkům připojovat soubory
Můžete stahovat a prohlížet přiložené soubory
Nemůžete moderovat Vaše témata v tomto fóru.



Board Security

(104575 útoků)
::  www.honda-club.cz  :: Témata RSS TOPlist

[ Čas: 0.2896s ][ Dotazy: 153 (0.0715s) ][ GZIP on - Debug on ]