Rozšířené hledání} Informace o členství Kontaktní informace Seznam uživatelů Kalendář Spřátelené weby Honda-club.cz Přihlásit se k emailu
[2]
Linka Uživatelské skupiny Linka Galerie avatarů Linka Kdo je online Linka
Linka Jak se stát členem klubu Linka Stáhnout stanovy sdružení Linka Výhody pro členy klubu Linka
  Obsah fóra Honda-club.cz   
Mlhovka nejde zhasnout - poraďte! Accord 2002
Fórum: Elektroinstalace
0
Pomohlo ti toto téma?   
Zobrazit příspěvky z předchozích:
 Řadit příspěvky dle: 
Zaslat odpověď



  Strana 1 z 1
bodie je teď offline  bodie
0
PříspěvekZaslal: 18.9.2012 , 12:16   Citovat  

Mám Accorda 2.0 VTEC, r.v.2002 a mám problém se zadní mlhovkou. Stále svítí a nejde vypnout, ani když vypnu světla a vytáhnu klíčky ze zapalování! Musím mít vytáhnutou pojistku... Mám pocit, že při mačkání spínače mlhovky ani neslyším cvakat žádné relé - a ani nevím, které to je...

Motor mám F20B6, karoserie 5 dveří...
   Pomohl ti příspěvěk? Návrat  
    
Zobrazit informace o autorovi  Odeslat soukromou zprávu
Příspěvky: 16 H+ body: 0  
Stepa je teď offline  Stepa
4 háčka
Členství: Žádné
0
PříspěvekZaslal: 18.9.2012 , 12:42   Citovat  

Dle symptomů to vidím buď na připečené relé, nebo prodřenou kabeláž...
   Pomohl ti příspěvěk? Návrat  
    
Zobrazit informace o autorovi Osobní garáž Odeslat soukromou zprávu
Příspěvky: 4079 H+ body: 31 2006 FR-V  
bodie je teď offline  bodie
0
PříspěvekZaslal: 18.9.2012 , 14:04   Citovat  

Stalo se mi to, když jsem jel s vlekem a byla velká průtrž, lilo jako z konve. Zapnul jsem mlhovku a pak už nešla vypnout. Jak poznám, které relé to je? Je to relé jen pro tu mlhovku, nebo i pro něco jiného?
   Pomohl ti příspěvěk? Návrat  
    
Zobrazit informace o autorovi  Odeslat soukromou zprávu
Příspěvky: 16 H+ body: 0  
RASTA je teď offline  RASTA
4 háčka
Členství: Žádné
0
PříspěvekZaslal: 18.9.2012 , 14:43   Citovat  

bodie napsal:
Stalo se mi to, když jsem jel s vlekem a byla velká průtrž, lilo jako z konve. Zapnul jsem mlhovku a pak už nešla vypnout. Jak poznám, které relé to je? Je to relé jen pro tu mlhovku, nebo i pro něco jiného?


tuším, že i pro přední světla
je pod přístrojovkou kolem středového panelu

nemůže být problém v zásuvce vleku?
   Pomohl ti příspěvěk? Návrat  
    
Zobrazit informace o autorovi Osobní garáž Odeslat soukromou zprávu
Příspěvky: 4391 H+ body: 32 1990 CR-X  
bodie je teď offline  bodie
0
PříspěvekZaslal: 18.9.2012 , 15:01   Citovat  

No přední mlhovky fungují správně... Zapínají, vypínají...
   Pomohl ti příspěvěk? Návrat  
    
Zobrazit informace o autorovi  Odeslat soukromou zprávu
Příspěvky: 16 H+ body: 0  
RASTA je teď offline  RASTA
4 háčka
Členství: Žádné
0
PříspěvekZaslal: 18.9.2012 , 15:08   Citovat  

to by chtělo manuál nebo někoho, kdo má stejný auto
zadní mlhovky mívali společné relé s předními hlavními světly
co přepínač pro mlhový?zkoušel si ho vypojit?zhasnou?
   Pomohl ti příspěvěk? Návrat  
    
Zobrazit informace o autorovi Osobní garáž Odeslat soukromou zprávu
Příspěvky: 4391 H+ body: 32 1990 CR-X  
bodie je teď offline  bodie
0
PříspěvekZaslal: 18.9.2012 , 16:35   Citovat  

Přepínač pro mlhovky jsem neodpojoval, teď jsem na služebce, tak se k autu dostanu až v pátek. Ale horší je, že mi příští týden končí STK a tam by to mělo fungovat...
   Pomohl ti příspěvěk? Návrat  
    
Zobrazit informace o autorovi  Odeslat soukromou zprávu
Příspěvky: 16 H+ body: 0  
bodie je teď offline  bodie
0
PříspěvekZaslal: 21.9.2012 , 8:02   Citovat  

Když jsem odpojil přepínač mlhovky, tak zhasla... Jakmile jsem ho zapojil zpět, byla zhaslá. Zapnul jsem ji, svítila, ale vypnout zase nešla... Takže relé?
   Pomohl ti příspěvěk? Návrat  
    
Zobrazit informace o autorovi  Odeslat soukromou zprávu
Příspěvky: 16 H+ body: 0  
Stepa je teď offline  Stepa
4 háčka
Členství: Žádné
0
PříspěvekZaslal: 21.9.2012 , 12:26   Citovat  

Kdyby bylo relé v háji a Ty bys vyndal vypínač, tak by Ti to nezhaslo. Ten vypínač spíná jenom řídící cívku, nebo v tom je i silovina pro mlhovky? Podle symptomů to zatím vidím na vadný vypínač. Zkus ho vypojit, zjisti si kontakty a zkus je zkratovat, jestli se mlhovka rozsvítí a potom to rozpoj, jestli zhasne.
   Pomohl ti příspěvěk? Návrat  
    
Zobrazit informace o autorovi Osobní garáž Odeslat soukromou zprávu
Příspěvky: 4079 H+ body: 31 2006 FR-V  
RASTA je teď offline  RASTA
4 háčka
Členství: Žádné
0
PříspěvekZaslal: 21.9.2012 , 13:19   Citovat  

vida Úsměv
pokud nevíš kontakty na zkratování, zkus od někoho jiný přepínač
vypadá to spíše na něj
   Pomohl ti příspěvěk? Návrat  
    
Zobrazit informace o autorovi Osobní garáž Odeslat soukromou zprávu
Příspěvky: 4391 H+ body: 32 1990 CR-X  
bodie je teď offline  bodie
0
PříspěvekZaslal: 22.9.2012 , 7:40   Citovat  

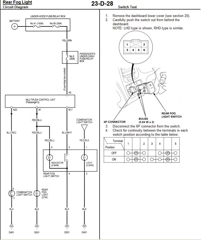
No sehnal jsem schéma a dle toho tam snad ani žádné relé není. Je tam pojistka, spínač a "Multiplex control unit". Tak nevím... Zkusím proměřit ten spínač, ale vypadá OK...


rear_fog_745.jpg

Zobrazení obrázku v plné velikosti.
rear_fog_745.jpg, 111.58 kB
   Pomohl ti příspěvěk? Návrat  
    
Zobrazit informace o autorovi  Odeslat soukromou zprávu
Příspěvky: 16 H+ body: 0  
Stepa je teď offline  Stepa
4 háčka
Členství: Žádné
0
PříspěvekZaslal: 22.9.2012 , 9:11   Citovat  

Nic neproměřuj, proklemuj piny 3 a 4 a musí se rozsvítit, když je rozpojíš, musí zhasnout. Když to tak bude, máš v háji spínač. Pokud ne, bude problém někde kolem MCU-řídící jednotka auta.
   Pomohl ti příspěvěk? Návrat  
    
Zobrazit informace o autorovi Osobní garáž Odeslat soukromou zprávu
Příspěvky: 4079 H+ body: 31 2006 FR-V  
bodie je teď offline  bodie
0
PříspěvekZaslal: 4.10.2012 , 19:32   Citovat  

Tak jsem odpojil spínač, proklemoval pin 3 a 4 a nefunguje to. Takže asi MCU... Budu muset sehnat starší - nová bude asi dost drahá... Nebo že by ta MCU měla nějaké svoje ochrany a šlo to nějak odblokovat připojením na PC? A to mají asi jen u Hondy, ne?
   Pomohl ti příspěvěk? Návrat  
    
Zobrazit informace o autorovi  Odeslat soukromou zprávu
Příspěvky: 16 H+ body: 0  
macino je teď offline  macino
0
PříspěvekZaslal: 6.12.2012 , 18:49   Citovat  

Zdravim,jak se to nakonec vyresilo? u me dneska uplne stejny problem... Taky se to prihodilo pri jizde s vlekem!!! diky.
   Pomohl ti příspěvěk? Návrat  
    
Zobrazit informace o autorovi Osobní garáž Odeslat soukromou zprávu
Příspěvky: 83 H+ body: 0 1999 Accord  
macino je teď offline  macino
0
PříspěvekZaslal: 18.12.2012 , 10:37   Citovat  

Pro pripadne dalsi nestastniky s timto problemem: Bodie mi napsal ze musel vymenit vymenit celou ridici jednotku u spolujezdce,v tom byl pravdepodobne zakopany pes i u me,ale jelikoz jsem nenasel nic jineho, co by jeste prestalo fungovat, nechal jsem jen natahnout nove kabely "naprimo" plus novy vypinac mlhovky....
   Pomohl ti příspěvěk? Návrat  
    
Zobrazit informace o autorovi Osobní garáž Odeslat soukromou zprávu
Příspěvky: 83 H+ body: 0 1999 Accord  

  Obsah fóra Honda-club.cz   
Mlhovka nejde zhasnout - poraďte! Accord 2002
Fórum: Elektroinstalace
0
Pomohlo ti toto téma?   
Zobrazit příspěvky z předchozích:
 Řadit příspěvky dle: 
Zaslat odpověď



 Časy uváděny v GMT + 1 hodina  
    
Nemůžete odesílat nové téma do tohoto fóra.
Nemůžete odpovídat na témata v tomto fóru.
Nemůžete upravovat své příspěvky v tomto fóru.
Nemůžete mazat své příspěvky v tomto fóru.
Nemůžete hlasovat v tomto fóru.
Můžete k příspěvkům připojovat soubory
Můžete stahovat a prohlížet přiložené soubory
Nemůžete moderovat Vaše témata v tomto fóru.



Board Security

(104575 útoků)
::  www.honda-club.cz  :: Témata RSS TOPlist

[ Čas: 0.1710s ][ Dotazy: 87 (0.0172s) ][ GZIP on - Debug on ]