Rozšířené hledání} Informace o členství Kontaktní informace Seznam uživatelů Kalendář Spřátelené weby Honda-club.cz Přihlásit se k emailu
[2]
Linka Uživatelské skupiny Linka Galerie avatarů Linka Kdo je online Linka
Linka Jak se stát členem klubu Linka Stáhnout stanovy sdružení Linka Výhody pro členy klubu Linka
  Obsah fóra Honda-club.cz   
K: klima p4g
Fórum: Koupím
Zobrazit příspěvky z předchozích:
 Řadit příspěvky dle: 
Zaslat odpověď



  Strana 1 z 1
Mystic je teď offline  Mystic
PříspěvekZaslal: 23.4.2011 , 18:17   Citovat  

Zdarec neválí se někomu v garáží trubky,hadice a výparník do kabiny z Preludy 4 ?
   Návrat  
   Zobrazit informace o autorovi Osobní garáž Odeslat soukromou zprávu
Příspěvky: 89 1993 Prelude  
Fífa je teď offline  Fífa
1 háčko
PříspěvekZaslal: 6.5.2011 , 2:54   Citovat  

kdyz posles foto tak ti reknu zda to mam nebo ne..Úsměv je to dobrý je to dobrý
   Návrat  
   Zobrazit informace o autorovi Osobní garáž Odeslat soukromou zprávu
Příspěvky: 381 1992 Prelude  
Mystic je teď offline  Mystic
PříspěvekZaslal: 6.5.2011 , 7:06   Citovat  

Ok o vikendu se pokusim to nafotit.
   Návrat  
   Zobrazit informace o autorovi Osobní garáž Odeslat soukromou zprávu
Příspěvky: 89 1993 Prelude  
Fífa je teď offline  Fífa
1 háčko
PříspěvekZaslal: 6.5.2011 , 7:45   Citovat  

jasne je to dobrý je to dobrý
   Návrat  
   Zobrazit informace o autorovi Osobní garáž Odeslat soukromou zprávu
Příspěvky: 381 1992 Prelude  
Mystic je teď offline  Mystic
PříspěvekZaslal: 7.5.2011 , 11:15   Citovat  

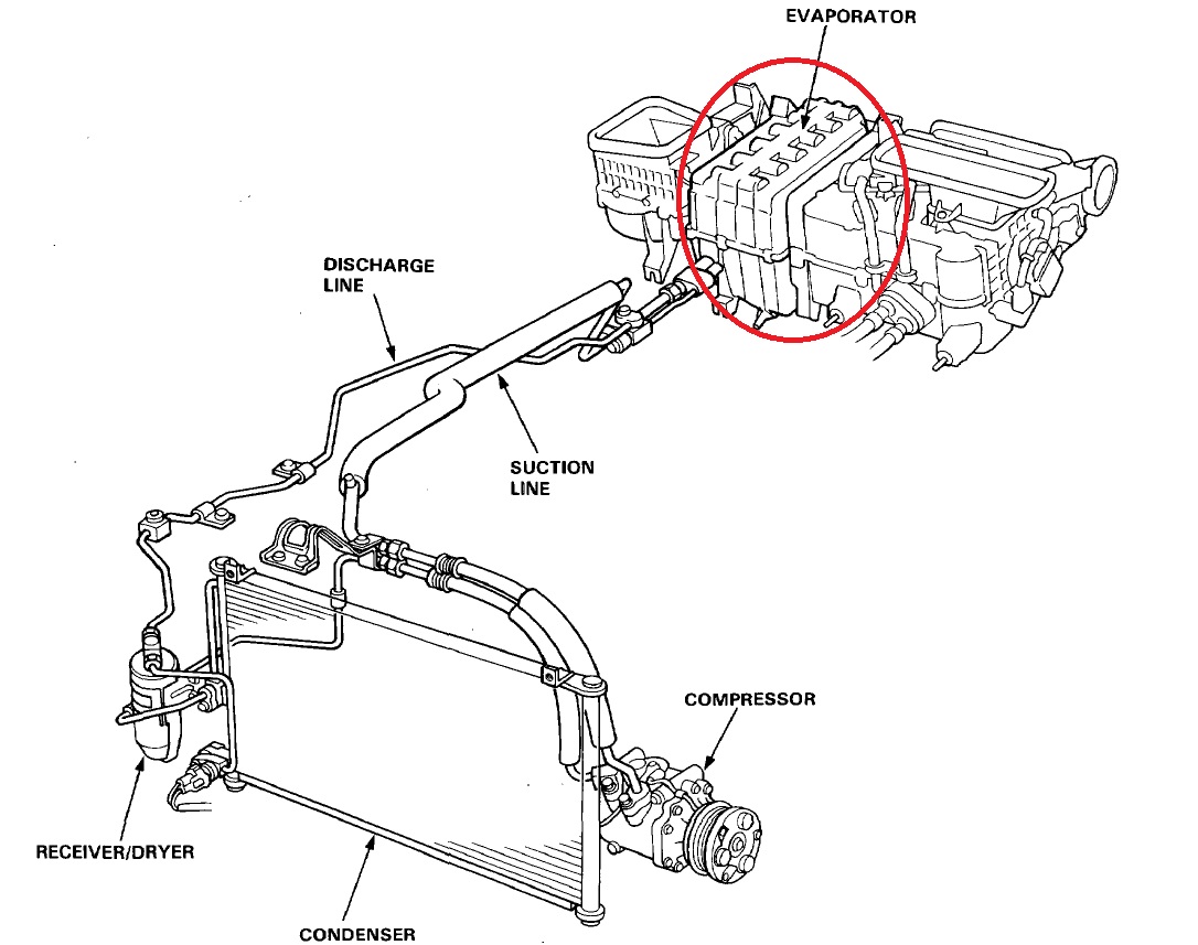
Fotky to sice nejsou ale pro představu toho co potřebuju snad to bude stačit.
Potřebuji ten výparník nebo jak se tomu říka co je na tom obrázku označen červeně a veškeré trubky a hadice co jsou na obrázku vidět.


1.jpg

Zobrazení obrázku v plné velikosti.
1.jpg, 176.32 kB

2.jpg

Zobrazení obrázku v plné velikosti.
2.jpg, 147.08 kB
   Návrat  
   Zobrazit informace o autorovi Osobní garáž Odeslat soukromou zprávu
Příspěvky: 89 1993 Prelude  
Fífa je teď offline  Fífa
1 háčko
PříspěvekZaslal: 7.5.2011 , 11:51   Citovat  

tak bohuzel to teda nemam...uz je to pryc přátele Smutný
   Návrat  
   Zobrazit informace o autorovi Osobní garáž Odeslat soukromou zprávu
Příspěvky: 381 1992 Prelude  
Mystic je teď offline  Mystic
PříspěvekZaslal: 13.5.2011 , 20:16   Citovat  

UP je to dobrý
   Návrat  
   Zobrazit informace o autorovi Osobní garáž Odeslat soukromou zprávu
Příspěvky: 89 1993 Prelude  
Prelude je teď offline  Prelude
4 háčka
Členství: Žádné
PříspěvekZaslal: 13.5.2011 , 23:37   Citovat  

Ja o jednom vim je to dobrý
   Návrat  
   Zobrazit informace o autorovi Osobní garáž Odeslat soukromou zprávu
Příspěvky: 3104 1994 Prelude Si  
DrEvil je teď offline  DrEvil
PříspěvekZaslal: 14.5.2011 , 8:27   Citovat  

Nazdar! Tak taky vím o jednom včetně těch hadic v motorovým prostoru.. Jestli by sis dojel k Brnu tak je to tvoje Úsměv
   Návrat  
   Zobrazit informace o autorovi Osobní garáž Odeslat soukromou zprávu
Příspěvky: 21 1994 Civic Coupe  
Mystic je teď offline  Mystic
PříspěvekZaslal: 16.5.2011 , 10:58   Citovat  

Jo k brnu jsem ochotný si dojet.
   Návrat  
   Zobrazit informace o autorovi Osobní garáž Odeslat soukromou zprávu
Příspěvky: 89 1993 Prelude  
DrEvil je teď offline  DrEvil
PříspěvekZaslal: 16.5.2011 , 12:04   Citovat  

SZ Úsměv
   Návrat  
   Zobrazit informace o autorovi Osobní garáž Odeslat soukromou zprávu
Příspěvky: 21 1994 Civic Coupe  

  Obsah fóra Honda-club.cz   
K: klima p4g
Fórum: Koupím
Zobrazit příspěvky z předchozích:
 Řadit příspěvky dle: 
Zaslat odpověď



 Časy uváděny v GMT + 1 hodina  
    
Nemůžete odesílat nové téma do tohoto fóra.
Nemůžete odpovídat na témata v tomto fóru.
Nemůžete upravovat své příspěvky v tomto fóru.
Nemůžete mazat své příspěvky v tomto fóru.
Nemůžete hlasovat v tomto fóru.
Můžete k příspěvkům připojovat soubory
Můžete stahovat a prohlížet přiložené soubory
Nemůžete moderovat Vaše témata v tomto fóru.



Board Security

(104575 útoků)
::  www.honda-club.cz  :: Témata RSS TOPlist

[ Čas: 0.1982s ][ Dotazy: 71 (0.0921s) ][ GZIP on - Debug on ]