Rozšířené hledání} Informace o členství Kontaktní informace Seznam uživatelů Kalendář Spřátelené weby Honda-club.cz Přihlásit se k emailu
[2]
Linka Uživatelské skupiny Linka Galerie avatarů Linka Kdo je online Linka
Linka Jak se stát členem klubu Linka Stáhnout stanovy sdružení Linka Výhody pro členy klubu Linka
  Obsah fóra Honda-club.cz   
Arduino PPC - rady pro začátečníka
Fórum: Elektroinstalace
0
Pomohlo ti toto téma?   
Zobrazit příspěvky z předchozích:
 Řadit příspěvky dle: 
Zaslat odpověď



  Strana 1 z 1
Izolex je teď offline  Izolex
0
PříspěvekZaslal: 28.6.2015 , 12:24   Citovat  

Ahoj, zahlídl jsem tu pár témat ohledně palubního počítače z Arduina a jelikož pracuju jako programátor, chtěl bych také zkusit dát si do kupy nějaký palubní počítač. Na stole se mi podařilo rozhejbat celé Arduino i pár senzorů, včetně displeje, ale nyní jsem se sekl na jedné věci, jak propojit Arduino s ecu (autem)? Na internetu jsem někde četl, že se to dá propojit přes servisní konektor a přes něj pak vyčíst různý data z ecu. Je to pravda nebo si musím najít v jakém kabelu v autě co teče a Arduino připojovat na jednotlivé kabely (případně konektor do ecu)? Budu velmi rád když mi tohle někdo objasní případně pošle jakékoliv schémata / rady, které se budou hodit přátele
   Pomohl ti příspěvěk? Návrat  
    
Zobrazit informace o autorovi  Odeslat soukromou zprávu
Příspěvky: 21 H+ body: 0  
PHonzejk je teď offline  PHonzejk
Členství: Žádné
0
PříspěvekZaslal: 28.6.2015 , 21:27   Citovat  

Ja chci vyzkouset s raspberry, ale zatim neni cas
OBD-PI
   Pomohl ti příspěvěk? Návrat  
    
Zobrazit informace o autorovi Osobní garáž Odeslat soukromou zprávu
Příspěvky: 28 H+ body: 0 2009 Jazz  
Ondras je teď offline  Ondras
3 háčka
0
PříspěvekZaslal: 29.6.2015 , 13:50   Citovat  

4 dráty: zem, +12V, signál VSS, řídící signál kteréhokoli vstřikovače. Víc nepotřebuješ pro základní trip computer.
   Pomohl ti příspěvěk? Návrat  
    
Zobrazit informace o autorovi  Odeslat soukromou zprávu
Příspěvky: 1049 H+ body: 0  
Hansz je teď offline  Hansz
0
PříspěvekZaslal: 29.6.2015 , 17:42   Citovat  

Pokud chceš brát data přes ten 3 pinový konektor. Tak jeden je 12V, druhý GND a třetí K-linka. Pokud to děláš přes arduino a chceš pouze zobrazovat data na display stačí ti to nejlevnější co je myslím nano nebo jak se to jmenuje, ale pokud chceš ukládat nějaká data na sd kartu nebo použít wi-fi modul tak si sežeň arduino mega. Má tam více seriových vstupů RX/TX, protože shield na sd kartu komunikuje taky přes RX/TX, tak by se ti to bilo mezi sebou komunikace z jednotky a ukládání na sd kartu. Pokud použiješ arduino mega tak si v kodu nastavíš co který RX/TX vstup má příjmat. A pokud budeš číst data přes ten 3 pin tak na arduinu skratneš RX/TX a propojíš to s K-linkou a samozřejmě GND spojíš taky s Arduinem. 12 voltu si vemeš odkud budeš chtít.
   Pomohl ti příspěvěk? Návrat  
    
Zobrazit informace o autorovi  Odeslat soukromou zprávu
Příspěvky: 91 H+ body: 0  
Izolex je teď offline  Izolex
0
PříspěvekZaslal: 1.7.2015 , 13:54   Citovat  

Ondras: Díky za radu, ale právě bych chtěl časem postavit něco složitějšího, proto bych to chtěl začít stavět nějak komplexně.
Hansz: Super. Mám Arduino mega, dneska budu zkoušet snad se něco povede:)

Ještě jsem zapomněl dodat, že mám p28, obd1
   Pomohl ti příspěvěk? Návrat  
    
Zobrazit informace o autorovi  Odeslat soukromou zprávu
Příspěvky: 21 H+ body: 0  
dj-bobr je teď offline  dj-bobr
4 háčka
Členství: Žádné
0
PříspěvekZaslal: 1.7.2015 , 13:57   Citovat  

Doporučuju omrknout a klidně jako prvotní nástřel použít odkaz, sekci "palubní počítač". Počítá to s upravenou jednotkou s chipem s datalogging pluginem, ale asi by to šlo nepříliš složitě předělat na sériovou jednotku (nutno brát v potaz halfduplex, to že K-linka je spojený RX a TX, a taky jinou příkazovou sadu..)
   Pomohl ti příspěvěk? Návrat  
    
Zobrazit informace o autorovi Osobní garáž Odeslat soukromou zprávu
Příspěvky: 4973 H+ body: 17 1992 Civic  
Hansz je teď offline  Hansz
0
PříspěvekZaslal: 2.7.2015 , 16:38   Citovat  

Tady je odkaz tudy odkaz na jednoho co to už dělal tak jak tam má ten kod jsem to zkoušel je funkční, ale přepočet bajtu a ty konstanty kterýma to násobí se trošku liší takže ten výsledek co toho vyleze není na 100% stejný jak je v jednotce porovnával jsem to, chce si s tím pohrát já jsem to předělával snad 3 měsíce než jsem na to přišel Velmi šťastný a to mám diplom z informatiky Velmi šťastný . Jinak ten kod tam je použitelný tak ze 70%. Chce to fakt ještě předělat. Já mám kod už hotový na SD kartu i na wifi, ale potřebuju si koupit to mega měl jsem ho půjčené od kamaráda na zkoušku jestli to všecko fakčí.
   Pomohl ti příspěvěk? Návrat  
    
Zobrazit informace o autorovi  Odeslat soukromou zprávu
Příspěvky: 91 H+ body: 0  
dj-bobr je teď offline  dj-bobr
4 háčka
Členství: Žádné
0
PříspěvekZaslal: 2.7.2015 , 17:14   Citovat  

Hansz: jestli jedeš na HONDAy, jednu megu ti na vývoj půjčím i klidně na dýl
   Pomohl ti příspěvěk? Návrat  
    
Zobrazit informace o autorovi Osobní garáž Odeslat soukromou zprávu
Příspěvky: 4973 H+ body: 17 1992 Civic  
Hansz je teď offline  Hansz
0
PříspěvekZaslal: 2.7.2015 , 21:10   Citovat  

Ne nejedu na HONDAy Smutný . To mega někde seženu to nebude problém. Jako bylo by dobré zkombinovat pak tu komunikaci ze seriovou jednotkou a s externí eeprom uživatel by si pak vybral podle toho na jakou stranu ECU pojede.
   Pomohl ti příspěvěk? Návrat  
    
Zobrazit informace o autorovi  Odeslat soukromou zprávu
Příspěvky: 91 H+ body: 0  
Izolex je teď offline  Izolex
0
PříspěvekZaslal: 8.7.2015 , 11:42   Citovat  

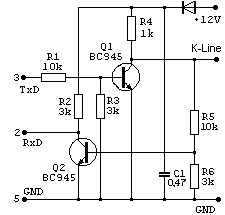
Díky všem za rady. Neměl byste někdo schéma, jak propojit tu K linku? Na internetu jsem našel tohle schéma (viz. níže) na vytvoření K linky, ale je vůbec nutný to tam dávat? Nebo stačí vyzkratovat rx a tx na Arduinu a propojit to s vyzkratovaným servisním konektorem? Tak jak to psal Hansz bych to udělal, ale můj tří pinový konektor má jen dva dráty.


kline.gif

Zobrazení obrázku v plné velikosti.
kline.gif, 2.21 kB

thumb_IMG_2680_1024.jpg

Zobrazení obrázku v plné velikosti.
thumb_IMG_2680_1024.jpg, 113.03 kB
   Pomohl ti příspěvěk? Návrat  
    
Zobrazit informace o autorovi  Odeslat soukromou zprávu
Příspěvky: 21 H+ body: 0  
dj-bobr je teď offline  dj-bobr
4 háčka
Členství: Žádné
0
PříspěvekZaslal: 8.7.2015 , 11:48   Citovat  

Moje funkční zapojení: Tx z Arduina přes odpor 1k, Rx z Arduina napřímo, spojit s K-line.. jinak s ECU se dá komunikovat i fullduplexně, když se v ECU rozpojí propojka J12.
   Pomohl ti příspěvěk? Návrat  
    
Zobrazit informace o autorovi Osobní garáž Odeslat soukromou zprávu
Příspěvky: 4973 H+ body: 17 1992 Civic  
Hansz je teď offline  Hansz
0
PříspěvekZaslal: 8.7.2015 , 15:31   Citovat  

Tak jak to psal dj-bobr to jde taky. Pokud tam máš jen 2 kablíky tak si změř kolik dávají proti zemi měl bys tam mít GND a K-linku změř to multimetrem. Pokud jde nějaký signál měl bys naměřit 5 voltu to je ta K-linka. To schéma co jsi tady dal není zapotřebí udělej to jak já nebo dj-bobr to je funkční a jednoduché. Jinak servisní konektor nezkratuj. Normálně to propoj s tím 3 pinovým diagnostickým konektorem i když tam v tom diagnostickým máš jen 2 kablíky tak si je proměř mělo by tam být 5 voltu. Servisní konektor je 2 pinový a slouží k zjištění jestli je nějaké čidlo vadné pokud svítí kontrolka motoru a ten se zkratuje a zapalovaní se otočí do polohy 2.
   Pomohl ti příspěvěk? Návrat  
    
Zobrazit informace o autorovi  Odeslat soukromou zprávu
Příspěvky: 91 H+ body: 0  

  Obsah fóra Honda-club.cz   
Arduino PPC - rady pro začátečníka
Fórum: Elektroinstalace
0
Pomohlo ti toto téma?   
Zobrazit příspěvky z předchozích:
 Řadit příspěvky dle: 
Zaslat odpověď



 Časy uváděny v GMT + 1 hodina  
    
Nemůžete odesílat nové téma do tohoto fóra.
Nemůžete odpovídat na témata v tomto fóru.
Nemůžete upravovat své příspěvky v tomto fóru.
Nemůžete mazat své příspěvky v tomto fóru.
Nemůžete hlasovat v tomto fóru.
Můžete k příspěvkům připojovat soubory
Můžete stahovat a prohlížet přiložené soubory
Nemůžete moderovat Vaše témata v tomto fóru.



Board Security

(104575 útoků)
::  www.honda-club.cz  :: Témata RSS TOPlist

[ Čas: 0.0984s ][ Dotazy: 75 (0.0111s) ][ GZIP on - Debug on ]