Rozšířené hledání} Informace o členství Kontaktní informace Seznam uživatelů Kalendář Spřátelené weby Honda-club.cz Přihlásit se k emailu
[2]
Linka Uživatelské skupiny Linka Galerie avatarů Linka Kdo je online Linka
Linka Jak se stát členem klubu Linka Stáhnout stanovy sdružení Linka Výhody pro členy klubu Linka
  Obsah fóra Honda-club.cz   
Honda Premium Sound System
Fórum: Interiér a Hi-Fi
1
Pomohlo ti toto téma?   
Zobrazit příspěvky z předchozích:
 Řadit příspěvky dle: 
Jdi na stránku 1, 2, 3, 4  Další 
Zaslat odpověď



  Strana 1 z 4
Bully je teď offline  Bully
Moderátor
Členství: Žádné
0
PříspěvekZaslal: 15.4.2009 , 22:28   Citovat  

V Accordu 7G mam sice "vynalez" zvany Premium Sound System (4x repro ve dverich, 2x vyskove u A-sloupku na palubce a subwoofer v kufru), ale po pravde receno se zvukem spokojeny nejsem a to se vubec nepovazuju za nejakeho audiofila. Spousta lidi sice tohle oznacuje za kvalitni sestavu, ale mne se to vazne nezda, nevim, kde na tom byli. Uz jsem tu o tom nekde psal, ze mi to zni docela plechove, pri znacnem zesileni se situace sice vyrazne zlepsi (asi diky stredum a basum z kufru), ale to uz zase otravuje cestujici, chudaka psa v kufru a obcas i me. Idealni by bylo nekoho potkat, kdo tomu rozumi, at si to poslechne, treba 2.5. bych mel byt ve Vyskove na srazu (i kdyz jenom na zacatek odpoledne). Netusim ani, jaky vykon cela sestava ma, co je pouzito za bedny apod., nevite o tom nekdo neco blizsiho?
Rozhodne nechci do auta kdovijak vrtat, porad mam predstavu, ze by snad pomohlo vymenit jenom bedny v prednich dverich, ty me pali nejvic. Pokud jsou na palubce vyskace (a tyhle jsou funkcni), znamena to, ze jsou v prednich dverich komponenty? Stacilo by teda pouzit stredobasy, aniz by se musely rozvrtavat cele dvere, nebo je nutne vymenit i vyskace- a tedy koupit kompletni lepsi komponenty? Pomuze vubec jenom tohle reseni? Nepotrebuju poradat disco na parkovisti, jde mi jenom o kvalitni poslech. Co vsechno by ktere reseni obnaselo? Opravdu nechci rozsroubovavat prakticky zanovni auto Smutný Stejne tak do toho nechci vrazet kdovijake sumy. Diky za ev. odpovedi.
   Pomohl ti příspěvěk? Návrat  
    
Zobrazit informace o autorovi Osobní garáž Odeslat soukromou zprávu
Příspěvky: 5905 H+ body: 34 2007 Civic Type-R  
diacoon je teď offline  diacoon
4 háčka
0
PříspěvekZaslal: 15.4.2009 , 22:43   Citovat  

podle te fotky ten pes vypada docela tuhej z toho woofru Úsměv
ja myslim ze poterbujes udelat tlumeni takze minimalne sundat tapec a poradne to vytlumit a ziskas lepsi ton ve dverich
   Pomohl ti příspěvěk? Návrat  
    
Zobrazit informace o autorovi Osobní garáž Odeslat soukromou zprávu
Příspěvky: 2360 H+ body: 1 1998 Accord  
Hifil je teď offline  Hifil
3 háčka
Členství: Žádné
0
PříspěvekZaslal: 15.4.2009 , 23:34   Citovat  

Více méně každá věc má svojí životnost.. Týká se to i reproduktorů a originálních papíráků tuplem.. Nový premium sound system hraje obstojně ( i když za ty prachy....), časem se to ale zhoršuje. Jak papírové membrány ztrácí tuhost atd.. Je možné, že bys nějakého zlepšení dosáhl i tím vytlumením, jak píše Diacoon. Pokud bys měnil přední repro (což by pomohlo určitě - a v kombinaci s tlumením naprosto stoprocentně), doporučil bych určitě koupit celé komponenty - včetně výšek a měnit celek. Přecijen se ty středobasy s výškama musí nějak doplňovat a být srovnané - hlasitostí, průběhem frekvencí apod.. Na předních reproduktorech záleží v autě nejvíc.. Cena za ně by nemusela být rozhodně nějak bůhvíjak vysoká, pokud by sis vybral rozměrově vhodné reproduktory, ani instalace by nebyla nijak složitá..
Kdyby ses o tom chtěl pobavit detailněji, klidně se ozvi na ICQ.. Můžu ti i udělat nějakou nabídku a uvidíš..
   Pomohl ti příspěvěk? Návrat  
    
Zobrazit informace o autorovi  Odeslat soukromou zprávu
Příspěvky: 1140 H+ body: 1  
Trebor je teď offline  Trebor
1 háčko
0
PříspěvekZaslal: 22.10.2010 , 0:55   Citovat  

Bully napsal:
V Accordu 7G mam sice "vynalez" zvany Premium Sound System (4x repro ve dverich, 2x vyskove u A-sloupku na palubce a subwoofer v kufru), ale po pravde receno se zvukem spokojeny nejsem a to se vubec nepovazuju za nejakeho audiofila. Spousta lidi sice tohle oznacuje za kvalitni sestavu, ale mne se to vazne nezda, nevim, kde na tom byli. Uz jsem tu o tom nekde psal, ze mi to zni docela plechove, pri znacnem zesileni se situace sice vyrazne zlepsi (asi diky stredum a basum z kufru), ale to uz zase otravuje cestujici, chudaka psa v kufru a obcas i me. Idealni by bylo nekoho potkat, kdo tomu rozumi, at si to poslechne, treba 2.5. bych mel byt ve Vyskove na srazu (i kdyz jenom na zacatek odpoledne). Netusim ani, jaky vykon cela sestava ma, co je pouzito za bedny apod., nevite o tom nekdo neco blizsiho?
Rozhodne nechci do auta kdovijak vrtat, porad mam predstavu, ze by snad pomohlo vymenit jenom bedny v prednich dverich, ty me pali nejvic. Pokud jsou na palubce vyskace (a tyhle jsou funkcni), znamena to, ze jsou v prednich dverich komponenty? Stacilo by teda pouzit stredobasy, aniz by se musely rozvrtavat cele dvere, nebo je nutne vymenit i vyskace- a tedy koupit kompletni lepsi komponenty? Pomuze vubec jenom tohle reseni? Nepotrebuju poradat disco na parkovisti, jde mi jenom o kvalitni poslech. Co vsechno by ktere reseni obnaselo? Opravdu nechci rozsroubovavat prakticky zanovni auto Smutný Stejne tak do toho nechci vrazet kdovijake sumy. Diky za ev. odpovedi.

plne s tebou souhlasim a uz jsem o tom psal i neco ve vlakne k 7G = vyresil si to tedy nejak?
   Pomohl ti příspěvěk? Návrat  
    
Zobrazit informace o autorovi Osobní garáž Odeslat soukromou zprávu
Příspěvky: 203 H+ body: 0 2007 Accord  
myst je teď offline  myst
4 háčka
Členství: Žádné
0
PříspěvekZaslal: 22.10.2010 , 5:23   Citovat  

Hifil: a ja si furt rikam proc si na to sici stezujou a mne to hraje uplne v pohode... byvaly majitel asi moc neposlouchal radio =) nehlede na to, ze zvuk, v sedanu se asi siri trochu jinak nez v dlouhym toureru, nebo ne?
   Pomohl ti příspěvěk? Návrat  
    
Zobrazit informace o autorovi Osobní garáž Odeslat soukromou zprávu
Příspěvky: 2113 H+ body: 1 2003 Accord  
Bully je teď offline  Bully
Moderátor
Členství: Žádné
0
PříspěvekZaslal: 22.10.2010 , 6:48   Citovat  

Trebor:
vyresil, zvyknul jsem si HaHaaa

Myst:
tohle jsem psal kdyz bylo auto rok stare (a od te doby se to podle me nijak vyrazne nezhorsilo). Stejne tak v aute slysis predevsim repro ze dveri ridice a spolujezdce + vyskace, jediny rozdil ve zvuku sedan vs. tourer muze byt teoreticky od basovych repro, ale basy slysim od urcite hlasitosti uplne normalne i zezadu z kufru. Podle me je to spis o tom co clovek subjektivne povazuje za dobry poslech, nic vic. Zase si zpetne uvedomuju ze v predchozim aute jsem mel repro komplet predelane, i kdyz nic az tak extra- ale porad slo zrejme o nadstandart a tahle moznost primeho porovnani je vzdycky dost poznat.
   Pomohl ti příspěvěk? Návrat  
    
Zobrazit informace o autorovi Osobní garáž Odeslat soukromou zprávu
Příspěvky: 5905 H+ body: 34 2007 Civic Type-R  
Trebor je teď offline  Trebor
1 háčko
0
PříspěvekZaslal: 22.10.2010 , 10:47   Citovat  

presne tak (jak jsem psal uz ve vlakne k 7G), tak jsem v predchozim autem mel vse od Pioneera a to proste byl rozdil, ktery byl slyset = proste pod pojmem Premium si predstavuji asi neco vic
   Pomohl ti příspěvěk? Návrat  
    
Zobrazit informace o autorovi Osobní garáž Odeslat soukromou zprávu
Příspěvky: 203 H+ body: 0 2007 Accord  
Bully je teď offline  Bully
Moderátor
Členství: Žádné
0
PříspěvekZaslal: 22.10.2010 , 17:17   Citovat  

Trebor napsal:
presne tak (jak jsem psal uz ve vlakne k 7G), tak jsem v predchozim autem mel vse od Pioneera a to proste byl rozdil, ktery byl slyset = proste pod pojmem Premium si predstavuji asi neco vic

Ve sve Honde mas radio od Alpine a Pioneer repro.
   Pomohl ti příspěvěk? Návrat  
    
Zobrazit informace o autorovi Osobní garáž Odeslat soukromou zprávu
Příspěvky: 5905 H+ body: 34 2007 Civic Type-R  
Trebor je teď offline  Trebor
1 háčko
0
PříspěvekZaslal: 22.10.2010 , 20:32   Citovat  

njn, ale neni to ono Smutný - hele, zjistil si tedy neco bliz o parametrech ty nasi audiosoustavy? Vykon radia (je tam nejaky zesilovac? = vykon?) a rozmery a vykon jednotlivych repraku?
Ja se to snazil zjistit, ale zatim marne Smutný I jsem se nekolikrat dotazoval osobne i mailem u sveho prodejce Hondy a nikdy mi to i pres sliby nerekli Smutný - jak kdyby to bylo vojenske tajemstvi
   Pomohl ti příspěvěk? Návrat  
    
Zobrazit informace o autorovi Osobní garáž Odeslat soukromou zprávu
Příspěvky: 203 H+ body: 0 2007 Accord  
Hifil je teď offline  Hifil
3 háčka
Členství: Žádné
0
PříspěvekZaslal: 22.10.2010 , 20:58   Citovat  

V předních dveřích jsou takové plastové patvarné odlitky viz. obrázky.. Dají se tam namontovat běžné komponentní reproduktory 165mm s použitím podložky z MDF tak, jak je na prvním obrázku (kde je teda použita podložka plastová). Jak to tam přesně je se zesilovačem nevím, ale vůbec nepředpokládám, že by tam byl zesilovač na něco jiného, než pro subwoofer a jeho výkon nebude nijak závratný - počítal bych okolo 75W rms.
PS: Ano, to je magnet reproduktoru - neupadl.. HaHaaa


reproaccord.jpg

Zobrazení obrázku v plné velikosti.
reproaccord.jpg, 34.25 kB

reproaccord1.jpg

Zobrazení obrázku v plné velikosti.
reproaccord1.jpg, 46.57 kB

reproaccord2.jpg

Zobrazení obrázku v plné velikosti.
reproaccord2.jpg, 41.11 kB
   Pomohl ti příspěvěk? Návrat  
    
Zobrazit informace o autorovi  Odeslat soukromou zprávu
Příspěvky: 1140 H+ body: 1  
Trebor je teď offline  Trebor
1 háčko
0
PříspěvekZaslal: 22.10.2010 , 21:59   Citovat  

je konecne aspon nejaka informace Úsměv

Kdyz si odbornik(naprosto dobre mysleno), tak bych si dovolil jeste nejaky ten dotaz, jelikoz by si to mohl vedet z hlavy. Kolik by tak vykonove mohlo mit tedy to samotne radio? U sedana neni woofer, ale na zadnim plate jsou jen nejaky bass repraky, ktery jen duni.
Ale zajimalo by mne toto: z Passata B5,5 tu mam jeste z prednich dveri ty Pioneery a k nim i vyskace = ja je mam ted nekde zahrabany, ale chtel bych se te optat, jestli by rozmerove sly i do moji Hondy? V Passatovi byly normalne pod tapecirungem=nijak neprecnivaly. A jeste k nim mam i vyskace=sly by tam pripadne taky?
A pak jeste z neho mam i Pioneer ovaly, ktery jsem mel na zadnim plate - a ty dobre basovaly, ale i hraly = sly by treba zapojit misto tech stavajicih, co jen basuji.

Kdyz budes mit chut mi poradit, tak bych je pak pripadne i vyhrabal a zkusil bych najit i nejake blizsi parametry
   Pomohl ti příspěvěk? Návrat  
    
Zobrazit informace o autorovi Osobní garáž Odeslat soukromou zprávu
Příspěvky: 203 H+ body: 0 2007 Accord  
Hifil je teď offline  Hifil
3 háčka
Členství: Žádné
0
PříspěvekZaslal: 23.10.2010 , 9:14   Citovat  

Předpokládám, že v passatu jsi měl právě rozměr 165mm v předních dveřích, protože tam bývá také běžně a protože jsi s tím byl spokojen Úsměv Pokud se ti tedy vešly v pohodě tam, tak půjdou i do acca. Co se výkonu rádia týče, bude to klasika, tzn. někde mezi 15-20 watty rms na kanál, jako jakékoliv jiné rádio. Jinak tenhle premium systém jsem zatím "neměl v ruce", takže jak je to tam řešené s temi repráky v platě nevím a ani nevím, jaké mají rozměry. Zkus nějak změřit jejich průměr. Něco vymyslíme.
   Pomohl ti příspěvěk? Návrat  
    
Zobrazit informace o autorovi  Odeslat soukromou zprávu
Příspěvky: 1140 H+ body: 1  
Trebor je teď offline  Trebor
1 háčko
0
PříspěvekZaslal: 23.10.2010 , 11:47   Citovat  

No tak to by bylo super Je to tam.
Takze jsem zastrachal doma ve vsech skrinich a po delsi dobe se mi to podarilo najit.
Udelal jsem nejaky fotky, ale dost se to blyska, takze to jeste radeji sem opisu.

Predni repro: TS-A172C - tudy odkaz a mam k tomu i ty vyskace i tu podivnou krabicku (ted kdyz nad tim tak premyslim, tak si uz nejsem tak jist, jestli v predenich dverich i Passata nebyly vyndany ty puvodni kryty na repro z tapecirungu a nebyly tam pres repro ty od Pioneera viz foto - ale urcite se nic nerezalo, protoze pred prodejem auta jsem tam nechal vratit ty puvodni)

Na zadnim plate jsem mel: TS-A6911 - tudy odkaz

A mel jsem to pripojeny na autoradio Pioneer DEH-P580OMP - tudy odkaz

Jeste se dneska pokusim nejak nafotit a zmerit ty repraky v Honde, ale mam obavu, ze kdyz jsem to nejak hledal minule, tak jsem se nic poradnyho nedozvedel Smutný


PS: s nejvetsi pravdepodobnosti, ale jeste to nevim ted na 100%, jedu ted ve ctvrtek na pribuzenskou navstevu do Jihlavy tudy odkaz = vim, ze ve ctvrtek je volno, ale kdyby mi to tam technicky pasovalo a mel by si cas, tak mne napadlo, ze kdyby si mel zajem, tak bych se u tebe mohl nejak (asi ne driv nez dopoledne=jedeme z Prahy) stavit a udelat ti i kseft? = v pripade zajmu mi pak treba na sebe posli nejaky kontak-mobil, skype ...


Predni_dvere.JPG

Zobrazení obrázku v plné velikosti.
Predni_dvere.JPG, 302.45 kB

Predni_zadek_repro.JPG

Zobrazení obrázku v plné velikosti.
Predni_zadek_repro.JPG, 204.99 kB

Plato.JPG

Zobrazení obrázku v plné velikosti.
Plato.JPG, 280.41 kB

Plato_zadek_repro.JPG

Zobrazení obrázku v plné velikosti.
Plato_zadek_repro.JPG, 147.67 kB

Vyskace.JPG

Zobrazení obrázku v plné velikosti.
Vyskace.JPG, 219.75 kB

Vyskace_zadek.JPG

Zobrazení obrázku v plné velikosti.
Vyskace_zadek.JPG, 212.68 kB

Nejaka_elektronika.JPG

Zobrazení obrázku v plné velikosti.
Nejaka_elektronika.JPG, 233.37 kB
   Pomohl ti příspěvěk? Návrat  
    
Zobrazit informace o autorovi Osobní garáž Odeslat soukromou zprávu
Příspěvky: 203 H+ body: 0 2007 Accord  
Hifil je teď offline  Hifil
3 háčka
Členství: Žádné
0
PříspěvekZaslal: 23.10.2010 , 13:12   Citovat  

Trebor: Máš SZ
   Pomohl ti příspěvěk? Návrat  
    
Zobrazit informace o autorovi  Odeslat soukromou zprávu
Příspěvky: 1140 H+ body: 1  
Trebor je teď offline  Trebor
1 háčko
0
PříspěvekZaslal: 23.10.2010 , 17:55   Citovat  

Hifil:
tak jsem se byl ted podivat u auta a zjistil jsem toto:
- udelal jsem nejaky fotky (ten kryt zadniho basaku na plate je spatna fotka, ale jako ilustrace to asi staci)
- kruhovy "kryt" na prednich dverich ma prumer 17cm
- pak jsou jeste reproduktory v zadnich dverich, coz bude zrejme to samy, ale s tim bych nic asi ted delat nechtel
- a pak jsou ty duc duc Velmi šťastný repro na zadním platě a na nich je napsano toto "Pioneer TS0953ZH(nevim jestlli nula nebo ó), 4ohmy, NOM.20W, MAX.40W" - no, na netu jsem pod timto oznacenim nic nenasel


Predni_dvere.JPG

Zobrazení obrázku v plné velikosti.
Predni_dvere.JPG, 135.89 kB

Vyskace1.JPG

Zobrazení obrázku v plné velikosti.
Vyskace1.JPG, 216.41 kB

Vyskace2.JPG

Zobrazení obrázku v plné velikosti.
Vyskace2.JPG, 210.06 kB

Plato-kryt_basovych.JPG

Zobrazení obrázku v plné velikosti.
Plato-kryt_basovych.JPG, 106.06 kB
   Pomohl ti příspěvěk? Návrat  
    
Zobrazit informace o autorovi Osobní garáž Odeslat soukromou zprávu
Příspěvky: 203 H+ body: 0 2007 Accord  
Hifil je teď offline  Hifil
3 háčka
Členství: Žádné
0
PříspěvekZaslal: 23.10.2010 , 18:56   Citovat  

No jak jsem ti psal.. Dopředu ty 165mm repro půjdou v pohodě a výšky by šly zabudovat do těch originálních pozic pod okno.. Co se těch repráků v platě týče, pořád netuším, co to může být zač.. To bych viděl asi až to uvidim.. Úsměv Jinak dle těch výkonů možnost nějakého zesilovače vylučuju - bude to celé z rádia..
   Pomohl ti příspěvěk? Návrat  
    
Zobrazit informace o autorovi  Odeslat soukromou zprávu
Příspěvky: 1140 H+ body: 1  
Trebor je teď offline  Trebor
1 háčko
0
PříspěvekZaslal: 23.10.2010 , 20:48   Citovat  

diky moc za info
   Pomohl ti příspěvěk? Návrat  
    
Zobrazit informace o autorovi Osobní garáž Odeslat soukromou zprávu
Příspěvky: 203 H+ body: 0 2007 Accord  
Acxe je teď offline  Acxe
1 háčko
Členství: Žádné
0
PříspěvekZaslal: 24.10.2010 , 14:37   Citovat  

U premium sound system zesilovač je.. je úmístěn dole pod rádiem u řadící páky. OK


Zes.jpg

Zobrazení obrázku v plné velikosti.
Zes.jpg, 213.28 kB
   Pomohl ti příspěvěk? Návrat  
    
Zobrazit informace o autorovi Osobní garáž Odeslat soukromou zprávu
Příspěvky: 173 H+ body: 1 2004 Accord Type-S  
Trebor je teď offline  Trebor
1 háčko
0
PříspěvekZaslal: 24.10.2010 , 14:52   Citovat  

Acxe napsal:
U premium sound system zesilovač je.. je úmístěn dole pod rádiem u řadící páky. OK

a co je na nej vsechno pripojeny? = Jen ty bassovy na plate nebo i ty v prednich i zadnich dverich + vyskace?

Hele, to fak nikdo neznate nebo jste nevystrachal na netu vykon ty audiosoustavy = vykon radia na vystupy a vykon tech repraku ve dverich a pripadne tedy i vystupni vykon toho zesilovace?

Me se to na netu nikde vystrachat nepodarilo a jak jsem uz nekde tady taky psal, tak muj prodejce Hondy mi to opakovane slibil zjistit, ale nic mi nezjistil = az si rikam, jestli to neni nejaky vojensky tajemstvi Smutný
   Pomohl ti příspěvěk? Návrat  
    
Zobrazit informace o autorovi Osobní garáž Odeslat soukromou zprávu
Příspěvky: 203 H+ body: 0 2007 Accord  
Hifil je teď offline  Hifil
3 háčka
Členství: Žádné
0
PříspěvekZaslal: 24.10.2010 , 15:23   Citovat  

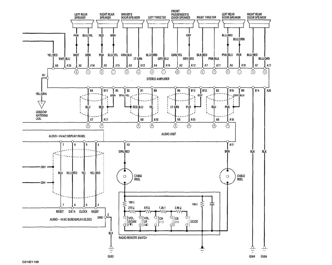
Stereo amplifier mi k tomu přijde trochu nadnesenej název.. Spíš je to něco jako aktivní výhybka, rozdělující signál pro výškové, středobasové a basové repro.. Každopádně by to s největší pravděpodobností při výměně reproduktorů přišlo odpojit.
   Pomohl ti příspěvěk? Návrat  
    
Zobrazit informace o autorovi  Odeslat soukromou zprávu
Příspěvky: 1140 H+ body: 1  
Acxe je teď offline  Acxe
1 háčko
Členství: Žádné
0
PříspěvekZaslal: 24.10.2010 , 21:37   Citovat  

Tady je zapojení toho "zesilovače" . Když někdo napíše že je to zesilovač, tak bych čekal že to bude zesilovač, ale tady to asi fakt bude spíš nějaká výhybka.
Zajímavé je že ten zesilovač má asi jen PSS, přitom se liší jen přítomností repro v z. dveřích.


ssa.jpg

Zobrazení obrázku v plné velikosti.
ssa.jpg, 202.37 kB
   Pomohl ti příspěvěk? Návrat  
    
Zobrazit informace o autorovi Osobní garáž Odeslat soukromou zprávu
Příspěvky: 173 H+ body: 1 2004 Accord Type-S  
myst je teď offline  myst
4 háčka
Členství: Žádné
0
PříspěvekZaslal: 25.10.2010 , 8:42   Citovat  

Bully napsal:
Trebor:
vyresil, zvyknul jsem si HaHaaa

Myst:
tohle jsem psal kdyz bylo auto rok stare (a od te doby se to podle me nijak vyrazne nezhorsilo). Stejne tak v aute slysis predevsim repro ze dveri ridice a spolujezdce + vyskace, jediny rozdil ve zvuku sedan vs. tourer muze byt teoreticky od basovych repro, ale basy slysim od urcite hlasitosti uplne normalne i zezadu z kufru. Podle me je to spis o tom co clovek subjektivne povazuje za dobry poslech, nic vic. Zase si zpetne uvedomuju ze v predchozim aute jsem mel repro komplet predelane, i kdyz nic az tak extra- ale porad slo zrejme o nadstandart a tahle moznost primeho porovnani je vzdycky dost poznat.


je to mozny, ja mela dycky sunka radia a repraky =D spis jde o to, ze ja audio zastavbu vubec neresim a dokud mi to hraje dostatecne, tak je mi to jedno a vyhovuje mi to =D nejsem fanda otevrenych kufru s basaky anebo nejakym ultra soundem. Staci kdyz si muzu pustit nahlas nakou pisnicku a nebude se mi secko klepat vrzat a chrcet =D a bude to zni vicemene ciste - a to ten Premium Sound System dela.. neni to system na diskoteky na parkaci =D
   Pomohl ti příspěvěk? Návrat  
    
Zobrazit informace o autorovi Osobní garáž Odeslat soukromou zprávu
Příspěvky: 2113 H+ body: 1 2003 Accord  
Trebor je teď offline  Trebor
1 háčko
0
PříspěvekZaslal: 25.10.2010 , 11:42   Citovat  

njn, nejsem zadny audiofilni netopyr Úsměv , ale proste (asi i diky tomu, ze jsem mel drive lepsi, i kdyz je to uz dva roky), tak s tim proste porad nejsem nejak uplne spokojen a vadi mi to Smutný - o diskoteku mi taky nejde (i kdyz obcas si rad pustim hudbu hlasiteji) = proste mam rad, kdyt to v tichym i hlasitym stavu hraje slusne (nemusim mit perfektne), coz tady proste neni Bueee . Ale je mi jasny, ze je to vec nazoru
   Pomohl ti příspěvěk? Návrat  
    
Zobrazit informace o autorovi Osobní garáž Odeslat soukromou zprávu
Příspěvky: 203 H+ body: 0 2007 Accord  
Bully je teď offline  Bully
Moderátor
Členství: Žádné
0
PříspěvekZaslal: 25.10.2010 , 17:42   Citovat  

myst napsal:
je to mozny, ja mela dycky sunka radia a repraky =D spis jde o to, ze ja audio zastavbu vubec neresim a dokud mi to hraje dostatecne, tak je mi to jedno a vyhovuje mi to =D nejsem fanda otevrenych kufru s basaky anebo nejakym ultra soundem. Staci kdyz si muzu pustit nahlas nakou pisnicku a nebude se mi secko klepat vrzat a chrcet =D a bude to zni vicemene ciste - a to ten Premium Sound System dela.. neni to system na diskoteky na parkaci =D

Jasne, zni to jako uplne normalni prumerne radio s trochou basu zezadu. Zkus si schvalne zakryt rukama vyskove repro nahore na palubce, at vidis jak moc funguji a jak se zvuk zmeni Velmi šťastný Kdyby nemel poface aspon automatickou regulaci zvuku podle rychlosti jizdy, tak bych ten napis PSS asi hned necim prelepil :twisted:
   Pomohl ti příspěvěk? Návrat  
    
Zobrazit informace o autorovi Osobní garáž Odeslat soukromou zprávu
Příspěvky: 5905 H+ body: 34 2007 Civic Type-R  
Trebor je teď offline  Trebor
1 háčko
0
PříspěvekZaslal: 25.10.2010 , 23:23   Citovat  

Bully napsal:
Kdyby nemel poface aspon automatickou regulaci zvuku podle rychlosti jizdy, tak bych ten napis PSS asi hned necim prelepil :twisted:

je to dobrý Bueee
no, ale tim to fakt nedozenou Smutný
   Pomohl ti příspěvěk? Návrat  
    
Zobrazit informace o autorovi Osobní garáž Odeslat soukromou zprávu
Příspěvky: 203 H+ body: 0 2007 Accord  
myst je teď offline  myst
4 háčka
Členství: Žádné
0
PříspěvekZaslal: 26.10.2010 , 10:35   Citovat  

Bully napsal:
Jasne, zni to jako uplne normalni prumerne radio s trochou basu zezadu. Zkus si schvalne zakryt rukama vyskove repro nahore na palubce, at vidis jak moc funguji a jak se zvuk zmeni Velmi šťastný Kdyby nemel poface aspon automatickou regulaci zvuku podle rychlosti jizdy, tak bych ten napis PSS asi hned necim prelepil :twisted:


tak jsem si to dneska zakryla, a rozdil je docela slyset =D ale furt to bylo v pohode... treba jsem hlucha =D
   Pomohl ti příspěvěk? Návrat  
    
Zobrazit informace o autorovi Osobní garáž Odeslat soukromou zprávu
Příspěvky: 2113 H+ body: 1 2003 Accord  
Trebor je teď offline  Trebor
1 háčko
0
PříspěvekZaslal: 26.10.2010 , 12:03   Citovat  

myst napsal:
tak jsem si to dneska zakryla, a rozdil je docela slyset =D ale furt to bylo v pohode... treba jsem hlucha =D

no tak asi patris k te casti jako treba moje draha polovicka "co prosim te porad mas, vzdyt to hraje" Velmi šťastný HaHaaa
   Pomohl ti příspěvěk? Návrat  
    
Zobrazit informace o autorovi Osobní garáž Odeslat soukromou zprávu
Příspěvky: 203 H+ body: 0 2007 Accord  
myst je teď offline  myst
4 háčka
Členství: Žádné
0
PříspěvekZaslal: 26.10.2010 , 13:14   Citovat  

Trebor napsal:
no tak asi patris k te casti jako treba moje draha polovicka "co prosim te porad mas, vzdyt to hraje" Velmi šťastný HaHaaa


hahahahahha jojo asi tak =D dneska jsem se na to soustredila vic.. a prisla jsem na to, ze kdyz mam brejle v prihradce na brejle a trochu to ohulim, tak mi tam rezonujou =D a to mi teda vadi nejvic, musim je dycky vyndat
   Pomohl ti příspěvěk? Návrat  
    
Zobrazit informace o autorovi Osobní garáž Odeslat soukromou zprávu
Příspěvky: 2113 H+ body: 1 2003 Accord  
Bully je teď offline  Bully
Moderátor
Členství: Žádné
0
PříspěvekZaslal: 26.10.2010 , 19:25   Citovat  

myst napsal:
hahahahahha jojo asi tak =D dneska jsem se na to soustredila vic.. a prisla jsem na to, ze kdyz mam brejle v prihradce na brejle a trochu to ohulim, tak mi tam rezonujou =D a to mi teda vadi nejvic, musim je dycky vyndat

offtopic Chvili mi trvalo nez jsem na to prisel jak to udelat, aby mi taky nedrncely Velmi šťastný Otoc je, at jsou nozickami dozadu (smerem k ridici).
   Pomohl ti příspěvěk? Návrat  
    
Zobrazit informace o autorovi Osobní garáž Odeslat soukromou zprávu
Příspěvky: 5905 H+ body: 34 2007 Civic Type-R  
Trebor je teď offline  Trebor
1 háčko
0
PříspěvekZaslal: 26.10.2010 , 20:23   Citovat  

Bully napsal:
offtopic Chvili mi trvalo nez jsem na to prisel jak to udelat, aby mi taky nedrncely Velmi šťastný Otoc je, at jsou nozickami dozadu (smerem k ridici).

tat tak, taky jsem jak magor jeden cas zjistoval, co to kde porad drnci pri jizde, az jsem pak zjistil, ze to jsou priblbly bryle Velmi šťastný
   Pomohl ti příspěvěk? Návrat  
    
Zobrazit informace o autorovi Osobní garáž Odeslat soukromou zprávu
Příspěvky: 203 H+ body: 0 2007 Accord  

  Obsah fóra Honda-club.cz   
Honda Premium Sound System
Fórum: Interiér a Hi-Fi
1
Pomohlo ti toto téma?   
Zobrazit příspěvky z předchozích:
 Řadit příspěvky dle: 
Jdi na stránku 1, 2, 3, 4  Další 
Zaslat odpověď



 Časy uváděny v GMT + 1 hodina  
    
Nemůžete odesílat nové téma do tohoto fóra.
Nemůžete odpovídat na témata v tomto fóru.
Nemůžete upravovat své příspěvky v tomto fóru.
Nemůžete mazat své příspěvky v tomto fóru.
Nemůžete hlasovat v tomto fóru.
Můžete k příspěvkům připojovat soubory
Můžete stahovat a prohlížet přiložené soubory
Nemůžete moderovat Vaše témata v tomto fóru.



Board Security

(104575 útoků)
::  www.honda-club.cz  :: Témata RSS TOPlist

[ Čas: 0.2175s ][ Dotazy: 147 (0.0158s) ][ GZIP on - Debug on ]